Das Gerät und die Beschreibung von Glühlampen
Eine Glühlampe ist eine der Varianten von LED-Geräten. Äußerlich ähnelt es einer Glühbirne. Übersetzt ins Russische bedeutet „Filament“ Faden. Es ist unter einer transparenten Flasche zu sehen. In den ersten Produktionsphasen wurden die Produkte als Dekorationselement und nicht als vollwertiges Analogon von Diodenlampen positioniert.
Dies änderte sich 2013, als einige chinesische Hersteller begannen, Glühlampen mit der gleichen Lumenleistung wie eine 60-W-Glühlampe zu verkaufen. Einige Jahre später wurden sie verbessert. Die verwendeten Chips umgingen technisch gesehen die Dioden SMD2835 und SMD5730.
Was sind Glühlampen
Glühlampen haben wie Glühlampen einen durchsichtigen Kolben und einen Sockel. Doch statt eines Wolframfadens sind hier LED-Chips verbaut. Das Hauptfunktionselement der Struktur ist das Filament. Äußerlich sieht es aus wie ein Diodenstreifen oder ein Leuchtfaden.

Darauf sind kleine Dioden.Sie sind in einer Kette mit einem dünnen Golddraht in Reihe geschaltet. Die Chips sind so dicht beieinander, dass beim Einschalten der Lampe das Licht eine einzige Linie bildet und einzelne LEDs nicht sichtbar sind. Entlang der Kanten des Streifens werden Kontakte gelötet, durch die Spannung angelegt wird.
Vor- und Nachteile von Lampen
Eigenschaften
Um zu verstehen, ob es sich lohnt, eine Glühlampe zu kaufen, müssen Sie ihre Eigenschaften mit Analoga in der folgenden Tabelle vergleichen.

Parameter, die Glühlampen Vorteile verleihen:
- Geräte sind mit allen Leuchten mit Standardkartuschen kompatibel;
- fast alle Modelle haben eine hohe Lichtausbeute und arbeiten mit Dimmern;
- Zum Verkauf stehen Produkte mit klassischem und kugelförmigem Birnendesign.
Die Kennzeichnung der Lampen beinhaltet die Eigenschaften des Sockels und das Aussehen der Wendelfäden. Ein Modell mit „E27“-Sockel hat beispielsweise ein klassisches Design und einen Durchmesser von 12 bis 27 mm, „A95“ ist kugelig oder rund, der Sockeldurchmesser ist entsprechend größer.

Trotz des hohen Preises der Produkte helfen sie aufgrund des geringen Energieverbrauchs, Geld zu sparen. Ein weiterer Vorteil ist, dass in Russland hergestellte Geräte den europäischen, chinesischen und amerikanischen Pendants qualitativ nicht unterlegen sind. Die beliebteste russische Marke ist Lisama.
Geräte bis 8 W von Lisma können für etwa 325 Rubel erworben werden. Produkte mit der gleichen Leistung im Ausland kosten 6-7 $. Wenn der Wunsch besteht, eine bessere importierte Lampe zu kaufen, empfiehlt es sich, die Modelle der Marken Osram oder Paulmann zu studieren. Eine hochwertige Glühbirne kostet etwa 650-800 Rubel.
Für die, die gerne zuschauen: Übersicht, Vor- und Nachteile von Filament-LED-Lampen.
Eigenschaften:
- Stromverbrauch - von 4 bis 8 W;
- Lichtstrom - bis zu 98 lm;
- Lichtleistung - 120 lm / W;
- Lebensdauer - 30.000 Stunden;
- Lichttemperatur - innerhalb von 2700 K.
Sorten
Derzeit werden folgende Optionen für Glühlampen im Handel angeboten:
- mit dekorativen Formen werden sie für Lampen ohne Lampenschirm gekauft;
- mit einem Kolben in Form einer brennenden Kerze;
- klassische Form;
- in Form einer großen Kugel.

Lampen sind dimmbar. Bei Bedarf finden Sie Modelle mit schmalen Sockeln. Jede dieser Nuancen wirkt sich auf den Preis aus.
Wie die Glühlampe funktioniert
Glühbirnen mit Filamentdioden werden aus folgenden Elementen zusammengesetzt:
- Glasflasche;
- Sockeltyp E14 oder E27;
- Treiber befindet sich in der Basis;
- Glasbein mit Leitern zur Stromversorgung von Dioden;
- Diodenfäden.

Das Bild zeigt eine Lampe der Marke Rusled. Die Produkte des Herstellers finden Sie in Geschäften namens "Tomics Glühbirne". Dies ist ein inländischer Hersteller, der im Prozess der Importsubstitution an Popularität gewonnen hat. Das Gerät wurde als Schritt in der Entwicklung der Haushaltsbeleuchtung positioniert.
Die Produktion der oben erwähnten Marke Lisma befindet sich in Saransk. Die Werbung sagt, dass dies die einzige Produktionslinie für Sockel und Lampenglas ist. Aber in Russland gibt es kein einziges Unternehmen, das LEDs für diese Glühbirnen herstellt, daher werden einige der Komponenten aus China gebracht.
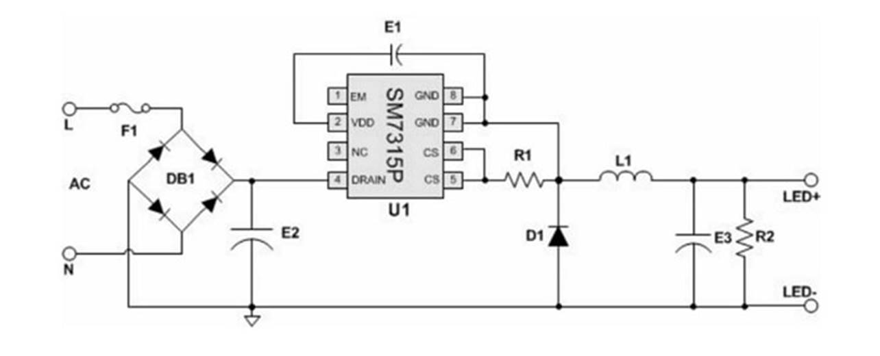
Treiberschaltung
Oft wird der Treiber nach dem unten dargestellten Schema hergestellt.
Manchmal ist anstelle der F1-Sicherung ein Widerstand eingebaut (niederohmig bis 200 Ohm bei einer Leistung von 1 W). Die Gleichrichterbrücke ist mit DB1 bezeichnet. Es arbeitet mit einer Sperrspannung von 400-1000 V. E2 und E1 sind Kondensatoren. Letzteres erfüllt die Funktion, die Mikroschaltung mit Strom zu versorgen. Das Gerät verfügt über einen PWM-Controller, Komparatoren, Multiplexer und andere Elemente.
Sie sind notwendig, um den realen und den Nennstrom zu vergleichen und ein Signal an den PWM-Controller zu senden, der den Leistungsschalter regelt. Es befindet sich im Chipgehäuse, nicht auf der Platine. Das Schema umfasst außerdem:
- R1 - Sensor zum Messen des Stroms im Stromkreis;
- D1 - Diode;
- R2 - Widerstand zur Gewährleistung der Mindestlast;
- E3 ist ein Filterkondensator.
Wofür wird verwendet
Experten prognostizieren, dass Filamentlampen in wenigen Jahren genauso beliebt sein werden wie LEDs, die im Alltag zum Energiesparen eingesetzt werden. Aufgrund einer Reihe von Vorteilen haben Filamentdioden jedoch die Chance auf eine noch größere Nachfrage. Beispielsweise ein transparenter Kolben, der einen Streuwinkel von 300° liefert.

Diese Art von LED-Glühbirne wird oft mit der Gestaltung eines Raums kombiniert, in den ein Standard-LED-Gerät aufgrund der weißen Glühbirne optisch nicht passt. Schrauben Sie beispielsweise Filamentlampen in Form von brennenden Kerzen in einen elektrischen Kerzenhalter, sehen diese vorteilhafter aus.
Bewertung von Glühlampen
Vor dem Kauf von Filament-Geräten sollten Sie die Bewertung der Besten studieren:
- Signaturleuchte von Paulmann. Eines der teuersten Modelle, das die neuesten Entwicklungen auf dem Gebiet der Beleuchtung vereint. Der Besitzer hat die Möglichkeit, die Farbe und Temperatur des Glühens anzupassen. Alle Farben sind verfügbar. Die Glühbirne hat auch andere Vorteile;
- LED Fil AGL 1521LM. Modell eines deutschen Herstellers. Trotz des hohen Preises (ca. 1900 Rubel) ist die Lampe beliebt, weil sie zuverlässig ist und die Glühtemperatur einstellen kann;
- in Form einer Airdim-Kerze. Wird zu dekorativen Zwecken oder als Hauptlichtquelle verwendet. Mit herkömmlichen Schaltern funktioniert es nicht, Sie benötigen einen Dimmer. Basistyp - E14;
- FDL-Lampe. Basis - E27. Die Glühbirne hat eine ursprüngliche Form einer Spirale, daher wird sie selten in Lampen mit Lampenschirm eingebaut. Wird häufig in Restaurants, Bars und anderen Einrichtungen verwendet;
- Gerät der Marke Paulmann mit roter Glühbirne. Beliebt für sein Aussehen. Sieht gut aus in Innenräumen mit roten Möbeln, Wänden oder Decken.
Fazit
Heutzutage werden Filamentlampen aufgrund des hohen Preises und der Leistungsbegrenzung auf 8 Watt nur noch selten als Hauptlichtquelle verwendet. Studieren Sie vor dem Kauf einer Glühlampe die Merkmale des Haushaltsgebrauchs und installieren Sie sie nur dann in einer Lampe, wenn das Netzwerk stabil und ohne Tropfen ist.

