LED-es spotlámpa csatlakoztatása
A LED-ek, mint világítási és jelzési elemek, gyakorlatilag az izzólámpákat váltották fel fő hatályukból. A LED versenyelőnye a hosszú élettartam és a gazdaságosság. Most az ilyen lámpákat többek között utcák és területek megvilágítására, épületek művészi megvilágítására stb.
Hogyan működik a reflektor
A LED-es spotlámpa (a mindennapi életben a helytelen dióda nevet használják - egy ilyen kifejezést legalábbis nem professzionális használni) egyszerű. Mint egy hagyományos izzólámpás lámpa, a következőket tartalmazza:
- keret;
- fénykibocsátó elem (egyetlen erős LED vagy több kisebb teljesítményű eszköz mátrixa);
- terminál a tápkábel csatlakoztatásához (kapocsblokk, csatlakozó);
- a rekeszt LED-ekkel borító üveg (diffúzor).

Az "Iljics izzóval" ellátott elődjétől eltérően a LED-es reflektor még egy részletet tartalmaz - a vezetőt.Erőteljes spotlámpákban elektronikus áramkör formájában készül, amely stabilizálja az áramot a fénykibocsátó elemen keresztül. Kis méretű lámpatesteknél egy ellenállás használható meghajtóként. Mivel a LED-ek kibocsátása nem függ a fűtés mértékétől, az élettartam meghosszabbítása érdekében hűtőbordára szerelik őket.
Elektromos kapcsolat
A legtöbb világítóeszköz egyfázisú 220 V-os hálózathoz történő csatlakoztatásához három csatlakozóval vannak felszerelve:
- fázis (L-vel jelölve);
- nullavezető (N);
- földvezető (
).
Kapcsolódó videó:
Nyilvánvalóan a TNS nulla üzemmódú elektromos hálózatot kell használni a csatlakozáshoz. Ennek az üzemmódnak az a sajátossága, hogy fázisvezetőkből áll, nulla (N) és védő (PE). Ebben az esetben a három vezetékes LED spotlámpa bekötési rajza egyszerű - a fázisvezető a fázishoz, a nulla vezető a nullához és a földelő vezeték a PE-hez. Ugyanez vonatkozik a TNC-S rendszerre is. Ebben a nulla- és a védővezető egy bizonyos ponton, általában az épület bejáratánál van elválasztva. De sok hálózat az elavult TNC-séma szerint készül, ahol a nulla- és védővezetőket kombinálják.
Ezekben a hálózatokban a szabályoknak megfelelően földelést nem igénylő világítóberendezéseket kell alkalmazni. Az ilyen eszközök közé tartoznak a következő védelmi osztályú eszközök:
- 0 - a védelmet egy szigetelőréteg biztosítja, a legkevésbé biztonságos lehetőség;
- II - a kettős vagy megerősített szigetelésű eszközök észrevehetően drágábbak;
- III - rendkívül alacsony biztonsági feszültséggel (50 V alatti váltakozó feszültséggel) működő eszközök, nem tartoznak e cikk hatálya alá.
Fontos! Egy elektromos készülék védelmi osztályát az útlevél, a műszaki leírás vagy a jelölés alapján határozhatja meg:
- 0 - nincs megjelölve;
- I - föld ikon
vagy a földelési kivezetés megléte;
- II - kettős szigetelés ikon
;
- III - III osztályú védelmi jelvény
.
A II. osztályú készülékeknél a biztonságot védőföldelés biztosítja, földelés nélküli TNC hálózatban történő alkalmazásuk pedig szabályellenes, és szomorú következményekkel járhat, ha a főszigetelés megszakad és a lámpatesten feszültség jelenik meg. A földelés csatlakozója a működő nullavezetőhöz (N, PEN) szintén ellentmond a PUE-nak.
A villanyszerelő saját felelősségére a II. védelmi osztályú készüléket védőföldelés nélkül is csatlakoztathatja. És a reflektor még működni is fog. De emlékeznie kell arra, hogy a következmények az ő lelkiismeretére hárulnak. Lehet, hogy még a törvénynek is felelnie kell.
Fontos! A földelés önmagában nem jelent biztonságot. A tápáramkört megszakítóval kell ellátni, hogy védelmet nyújtson az alapvető szigetelési hibák ellen. Ezenkívül, ha lehetséges, RCD-ket (vagy difavtomátokat) kell használni.
Szükséges eszközök és anyagok
A lámpa csatlakoztatásához hagyományos elektromos szerszámra lesz szüksége:
- huzalvágók tápkábelek vágásához;
- szerelőkés kábelszakaszok csupaszításához;
- csavarhúzó a vezetékvégek csatlakozókhoz való csatlakoztatásához.

Ez elegendő a kapcsolat befejezéséhez. De egy szakember azt is tanácsolja:
- speciális szigetelőanyag;
- fülek a megfelelő átmérőjű huzalokhoz és egy krimpelőszerszám.
Ha a szerelést sodrott huzallal végzik, a lecsupaszított területeket célszerű besugározni - ehhez jól jön a forrasztópáka.
És természetesen szükség van a megfelelő szakasz elektromos kábelére.220 V feszültség esetén a táblázatból választható ki a reflektor teljesítménye szerint:
| Vezető keresztmetszet, négyzet mm | 1 | 1,5 | 2,5 | 4 |
| Terhelési teljesítmény rézvezetőhöz, W | 3000 | 3300 | 4600 | 5900 |
| Terhelési teljesítmény alumínium vezetékhez, W | -- | -- | 3500 | 4600 |
Fontos! A kábel kiválasztásakor figyelembe kell venni a lámpa energiafogyasztását, nem pedig az egyenértékű (az izzólámpa teljesítményének megfelelő).
Bekötési rajz
A LED-es reflektor elektromos hálózatra csatlakoztatása egy normál aljzaton keresztül történhet. Ehhez dugót kell felszerelni a kábel tápvégére. II. védelmi osztályú lámpatest használata esetén az aljzatnak és a csatlakozódugónak földelt érintkezővel kell rendelkeznie.
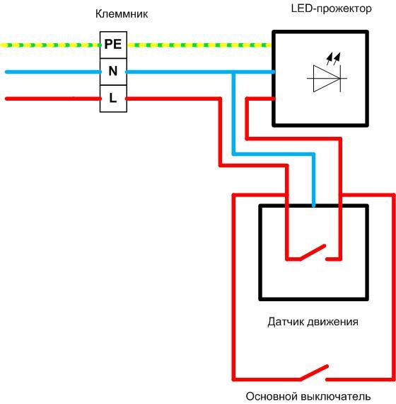
Mozgásérzékelő áramkör
Az elektromos energia megtakarítása érdekében a világítóeszközök mozgásérzékelővel együtt működnek. A reflektor csak akkor kap áramot, ha mozgó tárgyat (személy, autó) érzékel. Ebben az esetben az érzékelő a fázisvezeték megszakadásához van csatlakoztatva, sorosan egy hagyományos kapcsolóval.

A főkapcsoló a mozgásérzékelő állapotától függetlenül kikapcsolja a reflektort. Bekapcsolt állapotban a lámpa automatikus üzemmódban működik. Ezzel az áramkörrel az a probléma, hogy az érzékelő érintkezőit nem nagy áramerősségre tervezték, és ha erős a lámpa, akkor egy idő után égnek, és az érzékelő leáll. Ennek elkerülése érdekében a reflektort egy közbenső relén vagy egy mágneses indítón keresztül kell csatlakoztatni. Az érzékelő bekapcsolja a relét, és a relé bekapcsolja a reflektort.

Fontos! Rossz megoldás lenne, ha párhuzamosan két mozgásérzékelőt kapcsolnának be, hogy erősítsék az érintkezőket.A kapcsolási szint szétszóródása miatt nem lehet egyidejű működést elérni, mindkét érzékelő meghibásodik.
Hogyan lehet kapcsolón keresztül csatlakoztatni
Egy kevésbé sikeres séma a mozgásérzékelő párhuzamos csatlakoztatása a főkapcsolóval. Ebben az esetben a kapcsoló érintkezőinek zárása blokkolja az automatizálási áramkört.

Ennél az opciónál a mozgásérzékelő meghibásodása (érintkezők beragadása) esetén nem lehet áramtalanítani a reflektort.
Szerelési javaslatok
A reflektor csatlakoztatásakor célszerű szabványos magszigetelési színű kábelt használni, és kövesse a csatlakoztatási eljárást.

- a piros vezeték csatlakozik a fáziskivezetéshez (L);
- kék - nullához (N);
- sárga-zöld - földhöz (PE).
Ezt a sorrendet mind az áramforrás, mind a fogyasztó (lámpatest) oldaláról be kell tartani. Természetesen elektromos áram esetén a mag színe nem számít, és ha a szigetelés színénél nem figyelik meg a megfelelő csatlakozást, akkor semmi sem történik - a reflektor ugyanúgy működik. De a szabályok betartása a telepítő professzionalizmusáról beszél. És a jövőben, ha javításra vagy újracsatlakoztatásra van szükség, egy másik mester könnyebben kezelheti az áramkört.
Ha a vezetékek az utcán futnak, a vandalizmus elleni küzdelem érdekében célszerű csövekbe fektetni. Ebben az esetben meg kell érteni, hogy a hőelvonás feltételei rosszabbak lesznek, mint a nyitott tömítésű változatban. Ha a számítások szerint kiderül, hogy a terhelési teljesítmény közel van a kiválasztott szakasz felső határához, akkor a huzal átmérőjét legalább egy lépéssel növelni kell. Ebben az esetben még helyesebb tisztázni a vezetők paramétereit a PUE-ban.

Biztonsági intézkedések és üzemeltetési szabályok
Az elektromos berendezésekkel végzett bármilyen munka során be kell tartani a fő szabályt - minden műveletet kikapcsolt állapotban kell végrehajtani. A feszültség hiányát közvetlenül a munkavégzés helyén mutató segítségével kell ellenőrizni. Az elektromos szerszámnak jó állapotban kell lennie, a szigetelés sérülése nélkül. Még jobb, ha otthon is használjon áramütés elleni védőfelszerelést - dielektromos kesztyűt, szőnyeget, galóst. Nincs sok biztonsági intézkedés.
Működés közben ellenőrizni kell a vezetékek és a kapcsolóberendezések szigetelésének integritását is. Sérülés esetén a lámpatestet a hiba elhárításáig üzemen kívül kell helyezni.
