Paprasto LED stroboskopo gamybos schema
Kai kurie automobilių savininkai (tiuningo entuziastai) savo automobilius modifikuoja su mirksinčiu šviesos šaltiniu – stroboskopu. Šis pavadinimas nėra labai teisingas, naudojant stroboskopą - prietaisą, skirtą matuoti sukimosi greitį vizualiai lyginant su blyksnių dažniu. Tačiau pavadinimas įstrigo, terminas įstrigo.
Realioje aplinkoje stroboskopas padidina automobilio matomumą net naktį ir esant sudėtingoms oro sąlygoms. Taip nutinka dėl žmogaus suvokimo ypatumų. Mūsų jutimai, įskaitant akis, signalo pokytį pastebi greičiau nei jo intensyvumas. Todėl šviesos blyksniai patikimai patraukia kitų eismo dalyvių dėmesį net esant santykinai mažam ryškumui. Šiuos šviestuvus galite pasigaminti patys.
Ko reikia norint pagaminti stroboskopą
Norint pagaminti stroboskopą, reikės šių komponentų:
- Tiesą sakant, žibintai. Galite naudoti jau paruoštus žibintus (pavyzdžiui, nesunku įsigyti dienos žibintų komplektą).Galite surinkti ką nors naminio (pagal rūko žibintus ir pan.). Žinoma, yra pastatyti blyksniai šviesos diodai. Naudoti kaitrines lempas nėra prasmės, ir tai susiję ne tik su dabartiniu suvartojimu. Tradicinio šviesos šaltinio kaitinamojo siūlo eksploatavimo laikas priklauso nuo jo įjungimo ir išjungimo skaičiaus. Todėl mirksėjimo režimu tokia lempa ilgai tarnaus.
- Valdymo plokštė. Galima statyti ant skirtingų elementų pagrindo.
- Papildomi elementai - saugiklis ir jungiklis (užfiksavimo mygtukas arba perjungimo jungiklis). Lydomasis elementas gali būti naudojamas kaip atsarginis, jei toks yra automobilyje, arba gali būti tiekiamas papildomas. Jungiklis nereikalingas, bet labai rekomenduojamas. Turėtų būti įmanoma išjungti strobą (pavyzdžiui, kad neerzintumėte kelių policijos). Mygtukas arba perjungimo jungiklis gali būti montuojamas ant automobilio skydelio bet kurioje patogioje vietoje.
Montavimui reikalingas metalo apdirbimo įrankis – jis parenkamas vietoje, priklausomai nuo montavimo būdo ir vietos.
Stroboskopo schema ant automobilio
Stroboskopo blokinė schema parodyta paveikslėlyje.

Jis gali šiek tiek skirtis, jei valdymo plokštė palaiko atskirą žibintų valdymą dešinėje arba kairėje mašinos pusėje.
Lentą galite nusipirkti (pavyzdžiui, internetinėse parduotuvėse), arba galite pasigaminti patys. Jo gamyba yra prieinama net pradedantiesiems radijo mėgėjams.
Tl494
Valdymo plokštę galima pastatyti ant bendros TL494 lusto. Tai PWM valdiklis, tačiau jis gali būti naudojamas kaip impulsų generatorius su skirtingais darbo ciklais ir dažniais. Parametrai valdomi naudojant išorinius elementus.
Pasirinkus reikšmę R4, nustatomas mirksėjimo dažnis, pasirinkus R3 galima reguliuoti blyksnių trukmę. Vietoje to galite montuoti daugiapakopes žoliapjoves ir jomis reguliuoti mirksinčius parametrus. Kaip raktą galite naudoti tiek lauko, tiek dvipolius tranzistorius atitinkamai nutekėjimo (kolektoriaus) srovei.
Svarbu! Šioje ir tolesnėse grandinėse reikia atkreipti dėmesį į srovės apribojimą per LED blykstės lemputę - vairuotojai arba balastas rezistorius. Jei nėra srovės ribojimo įrenginio ar grandinės, reikia nuosekliai su lempa prijungti atitinkamos varžos ir galios rezistorių.
Kiti variantai
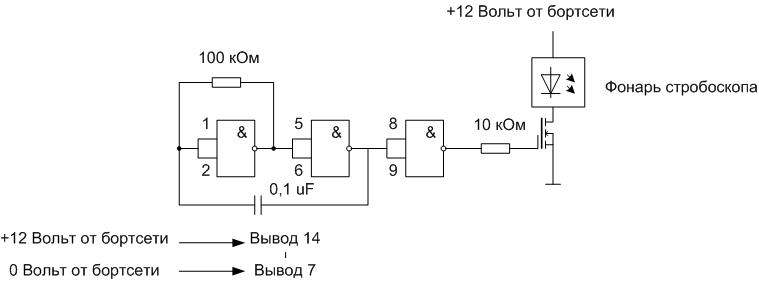
K561LA7 mikroschema (užsienio CD4011A analogas) gali būti pagaminta labai paprasta valdymo plokštė. Šis lustas yra labai įprastas ir kainuoja centą. Pasigaminti šarvus gali net mėgėjas, turintis pirminius radijo projektavimo įgūdžius. Mirksėjimo dažnis nustatomas rezistorius ir kondensatorius. Kuo didesnė talpa ir varža, tuo rečiau mirksi lemputės. Galite apytiksliai apskaičiuoti dažnį naudodami formulę F=0,52/(R*C). Galiausiai galite nustatyti mirksėjimo periodą pasirinkę laiko grandinės elementų parametrus. Kitas variantas – vietoj pastovaus sumontuoti derinimo rezistorių ir jį sukant pasirinkti norimą režimą. Vietoj K561LA7 galite naudoti K176LA7 lustą, tačiau jis jautresnis maitinimo įtampai. Taip pat galite naudoti bet kokias K176 ir K561 serijų mikroschemas, kuriose yra NE, AND-NOT, OR-NOT elementų.
Bet kuriai schemai būtina numatyti išvesties tranzistoriaus montavimą ant šilumos kriauklės.

Grandinę galima šiek tiek komplikuoti pridedant keletą detalių ir atskirus kondensatoriaus įkrovimo ir iškrovimo grandines. Blykstės ir pauzės laiką dabar galima reguliuoti atskirai.

Taip pat galite naudoti plačiai naudojamą NE555 lustą (KR1006VI1). Jis skirtas tokioms grandinėms kurti ir turi paprastą įtraukimą su mažiausiai papildomų elementų.

Tačiau geriausius apšvietimo efektus galima pasiekti naudojant mikrovaldiklį. Galite naudoti "baby" Attiny13 arba Arduino Nano plokštę, pridėdami prie jų tik galingo tranzistoriaus (lauko arba dvipolio) raktą. Galite pasirinkti tranzistoriaus tipą iš lentelės arba pasirinkti savo.
| Tranzistoriaus pavadinimas | Tipas | Didžiausia nutekėjimo / kolektoriaus srovė, A |
|---|---|---|
| BUZ11A | Laukas (N) | 25 |
| IRF540NPBF | Laukas (N) | 33 |
| BUZ90AF | Laukas (N) | 4 |
| 2SA1837 | Bipolinis (n-p-n) | 1 |
| 2SB856 | Bipolinis (n-p-n) | 3 |
| 2SC4242 | Bipolinis (n-p-n) | 7 |
Arduino arba C++ kodą gali parašyti net pradedantysis programuotojas. Kontrolė mirksi LED kaip pratimas siūlomas pirmose mikrovaldiklių programavimo pamokose. Šiek tiek įvaldę įgūdžius, galite tęsti tolesnį programos tobulinimą. Pavyzdžiui, galima sukurti ciklinį mirksėjimo dažnio perjungimą taktiniu mygtuku arba pakeitus apšvietimo efektus. Viską riboja programos kūrėjo vaizduotė.
Paveikslėlyje parodytas „Attiny13“ grandinės pavyzdys, tačiau turite suprasti, kad išorinių elementų prijungimas prie mikroschemos kojelių gali skirtis - kaiščio priskyrimas parenkamas programiškai.
Kaip surinkti stroboskopą
Surinkimas prasideda nuo valdymo plokštės gamybos. Tie, kurie yra susipažinę su namų technologijomis, gali patys suprojektuoti ir išgraviruoti lentą. Likusią dalį lengviau surinkti ant duonos lentos gabalo. Mokėjimas be litavimo negali būti taikomas - drebulys ir smūgiai, kurie neišvengiamai lydi vairuojant automobilį, sukels kontaktų gedimą ir grandinės gedimą.

Raktams tranzistoriams būtina sumontuoti nedidelius radiatorius arba numatyti galimybę pritvirtinti išorinį radiatorių. Norėdami tai padaryti, pagrindiniai elementai turi būti dedami ant lentos krašto taip, kad šilumą šalinantys paviršiai būtų nukreipti į išorę. Po surinkimo turite nustatyti lentos vietą. Greičiausiai jis bus sumontuotas variklio skyriuje. Tada reikia pasiimti arba pasidaryti nuo dulkių, nešvarumų ir drėgmės apsaugantį korpusą. Tokiu atveju būtina užtikrinti efektyvų šilumos pašalinimą iš tranzistorių, todėl Apvynioti lentą termiškai susitraukiančia medžiaga nėra gera idėja. Tada reikia pasirinkti valdymo perjungimo jungiklio ar mygtuko montavimo vietą, susirasti atsarginį saugiklį arba sumontuoti papildomą (patogu naudoti lydančius elementus, kuriuos galima montuoti laido pertraukoje). Po to reikia nutiesti laidus ir atlikti pajungimą pagal elektros schemą.
Sveikatos patikrinimas
Galite iš anksto patikrinti surinktos stroboskopinės plokštės veikimą neįrengę jos automobilyje. Norėdami tai padaryti, vietoj žibintuvėlio prie jo reikia prijungti vieną šviesos diodą su nuosekliai sujungtu rezistoriumi ir tiekti 12 voltų (galite naudoti iš maitinimo šaltinio arba iš automobilio akumuliatoriaus). LED turi mirksėti. Čia taip pat galite konfigūruoti plokštę pasirinkdami dažnio nustatymo elementų reikšmes.
Paskutinis patikrinimas atliekamas baigus diegimą.Norėdami tai padaryti, perjungimo jungikliu arba mygtuku įjunkite stroboskopo maitinimą, vizualiai patikrinkite, ar nėra blyksnių.
Kokios gamybos klaidos?
Dauguma klaidų kyla dėl netinkamo diegimo. Norėdami jų išvengti, surinkimo metu turite atidžiai stebėti teisingą laidų prijungimą ir elektroninių komponentų litavimą. Sumontavus be klaidų ir preliminariai patikrinus plokštę, viskas pradės veikti iškart po maitinimo įjungimo.
Sumontavus stroboskopą, pirmiausia reikia apsilankyti kelių policijos skyriuje ir užregistruoti pakeitimus – montuojant bet kokius apšvietimo įrenginius, kurie nenumatyti projekte, tokia procedūra reikalinga. Priešingu atveju turėsite keliauti iš vieno kelių policijos posto į kitą, renkant baudas. Reikia atsiminti, kad raudonos ir mėlynos spalvos mirksinčias lemputes montuoti draudžiama. Jas galima montuoti tik specialiųjų tarnybų transporto priemonėse. Įteisinti jų įrengimą nebus įmanoma.


