Dviejų lempų prijungimo prie vieno jungiklio schema
Projektuojant apšvietimo tinklus kartais iškyla būtinybė vienu jungikliu valdyti dvi lempas. Techniškai ši užduotis nėra tokia sudėtinga, tačiau apšvietimo įrangos rinka siūlo daugybę įrenginių, galinčių išspręsti šią problemą. Norėdami pasirinkti geriausią būdą, kaip prijungti dvi lemputes prie vieno buitinio jungiklio, turite suprasti kai kuriuos klausimus ir niuansus.
Jungiklių pajungimo scheminės schemos
Praktiškai prisijungimo schemos gali skirtis. Skirtumai daugiausia priklauso nuo jungiklio tipo.
Vienas raktas
Šis perjungimo įrenginys turi tik vieną kontaktų grupę uždarymui, todėl vienu metu gali valdyti tik dvi lempas, nepriklausomai nuo to, ar jis įjungtas.

Lygiagrečiai prijungtas jungiklis turi būti skirtas bendrai dviejų lempų srovei, o jungiant nuosekliai - srovei, neviršijančiai mažiau galingo įrenginio srovės.
Toliau nuosekli grandinė parodyta daugiausia teoriškai, be praktinio panaudojimo perspektyvos.
Išsamesnę jungiklio su vienu raktu laidų schemą rasite čia straipsnis.
Dviejų raktų
Dviejų mygtukų jungiklis gali valdyti dvi lempas atskirai, todėl nuosekli grandinė čia net teoriškai nėra praktiška.

Vienu metu uždarius du mygtukus, lempos įsijungia lygiagrečiai. Jungiklio kontaktinė grupė turi būti skirta vienai apkrovai.
patikros punktas
Šio tipo įrenginiai gali būti dviejų klavišų ir vieno klavišo. Sujungimo schema skirsis.
Perėjimas vienu klavišu
Vieno klavišo perdavimo įrenginys gali būti naudojamas kaip įprastas raktas, o vienas terminalas nebus naudojamas.

Praktinės prasmės čia mažai, nes toks jungiklis yra brangesnis nei įprastas. Bet jei po ranka nėra kito, tuomet galima naudoti ir šį metodą.

Kita galimybė naudoti perjungimo kontaktų grupę yra valdyti dvi lempas su alternatyviu uždegimu. Priklausomai nuo padėties, užsidegs tik viena lemputė. Šios grandinės problema yra ta, kad neįmanoma išjungti abiejų žibintų be papildomų elementų. Todėl tikras tokio įtraukimo taikymas yra abejotinas.
Dvi gaujos per praėjimą
Dviejų dviejų mygtukų perėjimo jungiklių pagalba galima organizuoti atskirą dviejų lempų valdymą iš dviejų skirtingų taškų.

Tai gali praversti apšviečiant ilgą koridorių ar didelę patalpą, kai reikia rinktis viso ryškumo arba pusiau šviesumo. Be to, tokia schema yra naudinga miegamieji - kai reikia įjungti šviesą prie įėjimo ir išjungti šalia lovos. Ir jūs galite pasirinkti tarp taškinio ir pagrindinio apšvietimo.
Kiti prisijungimo būdai
Yra ir kitų būdų, kaip prijungti dvi lempas prie vieno jungiklio. Kai kurie iš jų nėra labai paplitę, tačiau į juos reikėtų atsižvelgti.
Per įtampos keitiklį
Vietinis apšvietimas dažnai atliekamas esant žemai įtampai prožektoriai arba halogeninės lempos, skirtos 12...48 voltų maitinimo šaltiniui. Norėdami juos maitinti, jums reikia aukštos įtampos į žemą įtampą keitiklio.

Patartina abi lempas jungti prie vieno pakankamos galios transformatoriaus – tai bus pigiau nei sumontuoti du atskirus transformatorius.
Šviesos jungiklis turi būti sumontuotas 220 voltų šone. Iš žemos įtampos pusės su ta pačia galia perjungimo srovės bus didesnės, todėl gali sumažėti jungiklio kontaktinės sistemos tarnavimo laikas. Be to, specializuoti keitikliai gali turėti įtampos tiekimo algoritmą, kuris inicijuotų, pavyzdžiui, halogeninių lempų švytėjimą. Šis algoritmas išdirbamas, kai į keitiklį įjungtas 220 voltų maitinimas, o perjungiant iš žemos pusės lempos gali tiesiog neužsidegti. Todėl, jei reikia atskirai įjungti lempas, dažnai reikia įrengti du maitinimo šaltinius.
| Lempa | Tipas | Maitinimo įtampa |
| D.I.M. Halostar Osram | Halogenas | 12 V |
| Halogeninė lempa Novotech GY6.35 | Halogenas | 12 V |
| Varton 6,5W 4000K | LED | 24, 36 V |
| NAMUOSE LED-MO-PRO | LED | 12,24V |
| UNIEL LED10-A60/12-24V/E27 | LED | 12,24V |
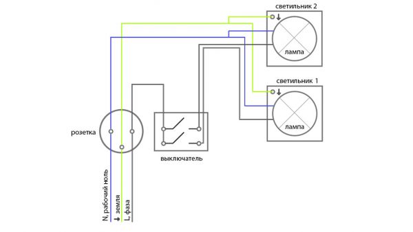
Prijungimas iš esamo lizdo
Pasitaiko situacijų, kai reikia įrengti papildomą apšvietimą jau įrengtoje maitinimo sistemoje. Norėdami sumažinti darbo sąnaudas, galite prijungti šviestuvus iš esamo lizdo. N ir PE laidai turi būti paimti tiesiai iš lizdų gnybtų ir klojami ant šviestuvų. Fazinis laidas paimamas iš ten, tačiau jame bus tarpas, kuriame jis būtinas prijunkite šviesos jungiklį. Nuo jungiklio laidas eis į lempą ar dvi.

Kaip pavyzdys parodyta schema su dviejų mygtukų perjungimo įtaisu.Naudojant vieną klavišą, galioja tas pats principas, nuo jungiklio iki lempos eina tik vienas laidas.
Montavimas su jungties dėžute
Jei apšvietimo sistema sumontuota nuo nulio, tada laidai turi būti atliekami naudojant jungiamąją dėžę. Tai profesionalus sprendimas. Konkreti parinktis priklauso nuo pasirinktos schemos, tačiau bendras principas yra toks:
- iš skirstomojo skydo į dėžę atvestas trijų gyslų kabelis su laidais L (fazė), N (darbinis nulis) ir PE (apsauginis laidininkas) - gali ir nebūti;
- N ir PE pereina į šviestuvus (jei reikia, jie išsišakoja į šakų skaičių, lygų armatūros skaičiui);
- fazinis laidas turi pertrauką, į kurią prijungiamas jungiklis; tam iš dėžutės nuleidžiamas dviejų gyslų kabelis, skirtas vienos klaviatūros arba trijų gyslų kabelis dviejų klavišų įrenginiui.

Šio principo įgyvendinimas parodytas dviejų grupių jungiklio atveju. Jei naudojami du praėjimo įtaisai, montavimas tampa sudėtingesnis, ypač jei yra PE laidininkas.
Norėdami supaprastinti darbą ir sumažinti klaidų riziką, turėtumėte:
- taikyti kabeliai su pažymėtais laidininkais (spalva arba skaičiais);
- naudokite padidinto skersmens jungiamąją dėžę;
- jei įmanoma, jungtys tarp įvadinių jungiklių turi būti atliekamos kabeliu, neįeinant į dėžę.
Neįmanoma nepaisyti PE laidininko tarpiklio, jei jis yra.
Teminis vaizdo įrašas.
Montavimo instrukcijos
Jungiklių montavimas atliekamas keliais etapais. Kiekvienas iš jų turi savo ypatybes.
Sienų paruošimas
Galima kloti kabelių gaminius atviras arba uždarytas būdu. Šis veiksmas priklauso nuo pasirinkto laidų tipo.
Pasirinkus atvirą būdą, reikia nustatyti skirstomųjų dėžučių, rozečių ir jungiklių tvirtinimo vietas (šioje vietoje būtina montuoti platformas montavimui), nubrėžti kabelių trasas. Kabelį galima pritvirtinti:
- ant plastikinių kabių;
- ant atramų (laidai "Retro" stiliaus).
Taip pat kabelių kanaluose galima kloti laidininkų gaminius.


Jei pasirenkama paslėpta laidų instaliacija, tuomet, nustačius elektros prietaisų montavimo vietas, reikia sienose padaryti kanalus (strobus) kabeliui nutiesti ir įdubas plastikinėms dėžėms montuoti. Paklojus elektros instaliacijos gaminius ir išvedus laidus į jungiamąsias ir kištukines dėžutes, strobelės tinkuojamos ir atliekami vidaus įrengimo darbai.

Jungčių dėžės jungtys
Laidus, išvestus į jungiamąją dėžę, reikia paruošti - sutrumpinti, nuimti bendrą apvalkalą ir nulupti galus 1-1,5 cm.Tai galima padaryti naudojant montuotojo peilį.

Toliau reikia atlikti laidininkų prijungimą pagal pasirinktą schemą. Galite sujungti šerdis susukdami (geriausia, po to litavimo). Po to galai turi būti izoliuoti. Taip pat galite naudoti modernius suspaudimo gnybtus.
Jungiklio montavimas
Jungiklio montavimas, nepriklausomai nuo jo konstrukcijos (važtaraštis ar vidinis), taip pat prasideda nuo laido sutrumpinimo ir nupjovimo.

Tada jungiklis turi būti iš dalies išardyti – nuimkite raktus ir dekoratyvinį rėmą. Kitas žingsnis yra prijungti laidus prie jungiklio gnybtų. Varžtai turi būti tvirtai priveržti suspaudimo gnybtuose. Spyruokliniai spaustukai patys suspaus laidą.

Tada jungiklis montuojamas vietoje, tvirtinamas pagal projektą, sumontuojamos dekoratyvinės plastikinės detalės.

Dviejų lempų sujungimas
Yra tik dvi galimybės prijungti lemputes prie vieno jungiklio:
- nuoseklus;
- lygiagrečiai.
Montuojant nuosekliai, lempos viena su kita sujungiamos laidu, o maitinimo laidas prijungiamas prie likusių laisvų gnybtų – kaip schemoje. Kai kuriais atvejais gali prireikti etapų. Tada fazinis laidininkas prijungiamas prie vienos lempos įvesties L, įėjimas N prijungiamas prie kitos lempos įvesties L, o nulinis laidas prijungiamas prie likusio laisvo antrosios lempos gnybto N.

Jei reikia lygiagrečiai prijungti dvi lempas, laidai L ir N prijungiami prie pirmosios lempos gnybtų, antrasis kabelio gabalas prijungiamas prie tų pačių gnybtų, sudarydamas kilpą. Antrasis kilpos galas yra prijungtas prie antrosios lempos L ir N gnybtų ir kt.

Išvada ir išvada
Dviejų įrenginių prijungimo prie vieno jungiklio ypatybė yra ta, kad turite aiškiai suprasti, kaip dėl to pasikeis elektros grandinės parametrai. Kur padidės ar sumažės srovė, kaip pasiskirstys įtampa tarp lempų, koks bus apšvietimas ir kt. Ir šis įvertinimas turi būti atliktas prieš montavimo pradžią ir dar prieš perkant medžiagas. Diagramos braižymas ir parametrų skaičiavimas popieriuje užtrunka, bet yra nebrangus. Brangiau kainuos jau paruošto, bet blogai apgalvoto tinklo įrengimo keitimas.Tačiau apgalvotas požiūris padės pasiekti laukiamą rezultatą, o apšvietimo sistema tarnaus ilgai.



