Ciri menyambung dan mengawal jalur LED yang boleh dialamatkan
Penggunaan LED dalam elemen pencahayaan menyediakan pereka peralatan dengan kemungkinan yang hampir tidak terhad. Sehingga baru-baru ini, pengguna terpesona dengan keupayaan peranti yang dibina berdasarkan unsur penyinaran tiga warna (RGB). Hari ini, produk baru telah muncul, potensi yang nampaknya tidak terhad.
Jalur LED boleh alamat
Peranti pencahayaan sedemikian telah menjadi jalur LED alamat. Kecerahan dan nisbah warna asas, seperti dalam lampu RGB konvensional, dikawal oleh kaedah modulasi lebar denyut, yang digunakan dalam kawalan beban digital. Perbezaan asas antara peranti boleh dialamatkan ialah setiap elemen pemancar cahaya dikawal secara berasingan (untuk pita konvensional, keseluruhan segmen web adalah sama-sama menyala).

Peranti pita alamat
LED boleh alamat menjadi asas untuk pembinaan peranti pencahayaan tersebut.Ia mengandungi elemen pemancar cahaya semikonduktor sebenar dan pemacu PWM individu. Bergantung pada jenis elemen alamat, LED RGB boleh diletakkan di dalam perumah biasa atau dibawa keluar dan disambungkan ke output pemacu. LED berasingan atau pemasangan RGB boleh digunakan sebagai pemancar cahaya. Voltan bekalan juga boleh berbeza. Ciri-ciri perbandingan litar mikro biasa yang digunakan untuk mengawal LED berwarna ditunjukkan dalam jadual.
| pemandu PWM | Bekalan U, V | Sambungan LED | Catatan | Penggunaan terkini |
| WS2811 | 12-24 | Luaran | Pengatur voltan terbina dalam untuk 12 V. Mod cepat dan perlahan | Bergantung pada LED yang digunakan |
| WS2812B | 5 | terbina dalam | LED faktor bentuk - 5050 | Sehingga 60 mA setiap elemen (pada kecerahan maksimum) |
| WS2813 | 5 | terbina dalam | LED faktor bentuk - 5050 | Sehingga 60 mA setiap elemen (pada kecerahan maksimum) |
| WS2815 | 12 | terbina dalam | LED faktor bentuk - 5050 | Sehingga 60 mA setiap elemen (pada kecerahan maksimum) |
| WS2818 | 12/24 | Luaran | Voltan masukan kawalan adalah sehingga 9 V. Input kawalan tambahan | Bergantung pada LED yang digunakan |
Penggunaan semasa satu meter oleh pita alamat agak besar, kerana kuasa dibelanjakan bukan sahaja pada cahaya persimpangan p-n, tetapi juga pada kehilangan pensuisan pemacu PWM.
Peranti elemen lampu
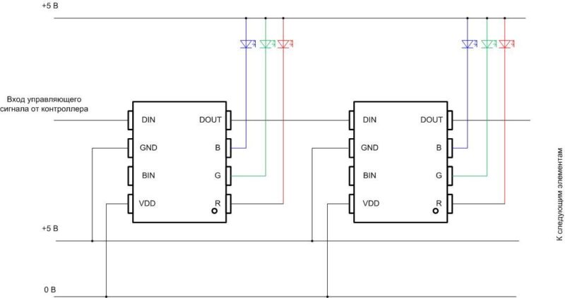
Setiap LED boleh dialamatkan mengandungi bilangan pin minimum:
- Bekalan kuasa U (VDD);
- wayar biasa (GND);
- input data (DIN);
- output data (DOUT).
Ini membolehkan elemen dengan pemancar terbina dalam diletakkan dalam pakej 4-pin (WS2812B).

Cip dengan sambungan LED luaran memerlukan sekurang-kurangnya tiga pin lagi untuk menyambungkan LED.Akibatnya, pakej standard dengan 8 pin mempunyai satu kaki percuma, yang boleh digunakan oleh pembangun untuk keperluan lain.

Jadi, pereka cip WS2811 menggunakan pin percuma untuk suis kelajuan, dan WS2818 untuk input data sandaran (BIN).
Sambungan unsur
Semua elemen yang terletak pada kanvas disambung secara selari dengan bekalan kuasa, dan secara bersiri melalui bas data. Output kawalan satu litar mikro disambungkan kepada input yang lain. Isyarat kawalan daripada pengawal disalurkan ke output DIN paling kiri mengikut litar pemacu.
Adalah lebih baik untuk menghidupkan LED dan litar mikro daripada unit yang berasingan, terutamanya jika pita dikuasakan oleh voltan selain daripada 5 V. Wayar biasa pengawal dan sumber voltan mesti disambungkan.

Kawalan cahaya
Unsur pita alamat dikawal melalui bas bersiri. Biasanya, bas sedemikian dibina pada litar dua wayar - garis strob dan talian data. Terdapat juga pita sedemikian, tetapi ia kurang biasa. Dan peranti yang diterangkan dikawal oleh litar wayar tunggal. Ini memungkinkan untuk memudahkan kanvas, mengurangkan kosnya. Tetapi ini dibayar oleh imuniti bunyi rendah peranti LED. Sebarang gangguan teraruh dengan amplitud yang mencukupi boleh ditafsirkan oleh pemacu sebagai data dan menyala tanpa diduga. Oleh itu, semasa pemasangan, langkah tambahan mesti diambil untuk melindungi daripada gangguan.
Protokol kawalan mengandungi arahan 24 bit. Sifar dan satu dikodkan sebagai denyutan frekuensi yang sama tetapi tempoh yang berbeza.Setiap elemen menulis ("selak") arahannya, selepas jeda tempoh tertentu, arahan untuk litar mikro seterusnya dihantar, dan seterusnya di sepanjang rantai. Selepas jeda yang lebih lama, semua elemen ditetapkan semula dan siri arahan seterusnya dihantar. Kelemahan prinsip membina bas kawalan ini ialah kegagalan satu litar mikro mengganggu penghantaran arahan lebih jauh di sepanjang rantai. Pemacu generasi terkini (WS2818, dsb.) mempunyai input tambahan (BIN) untuk mengelakkan masalah ini.
"Api Berlari"
Pertimbangan yang berasingan patut dipanggil pita SPI, yang dalam kehidupan seharian dipanggil "berlari api" kerana kesan pencahayaan yang paling biasa yang dibina di atasnya. Perbezaan antara pita sedemikian dan jenis yang dipertimbangkan ialah bas data mengandungi dua baris - untuk data dan untuk denyutan jam. Untuk peranti sedemikian, anda boleh membeli pengawal yang dikeluarkan secara komersil dengan satu set kesan, termasuk "tembakan" yang disebutkan. Anda juga boleh mengawal cahaya daripada pengawal PIC atau AVR konvensional (termasuk Arduino). Kelebihan mereka adalah peningkatan imuniti bunyi, dan kelemahannya ialah keperluan untuk menggunakan dua output pengawal. Ini boleh berfungsi sebagai had untuk pembinaan sistem cahaya yang kompleks. Juga, peranti sedemikian dicirikan oleh kos yang lebih tinggi.

Gambar rajah sambungan luminaire dan ralat biasa
Skim untuk menghidupkan peranti multimedia mempunyai banyak persamaan dengan skema iluminator RGB konvensional.Tetapi terdapat juga perbezaan - untuk menyambungkan jalur LED yang boleh dialamatkan dengan betul ke pengawal, anda perlu mengingati beberapa perkara.
- Oleh kerana penggunaan kuasa pita alamat yang meningkat, adalah mustahil untuk menghidupkannya dari papan Arduino (jika segmen kecil digunakan, ia tidak diingini). Dalam kes umum, sumber berasingan akan diperlukan untuk bekalan kuasa (dalam beberapa kes mungkin terdapat satu, tetapi litar kuasa untuk LED dan pengawal mesti dibuat secara berasingan). Tetapi biasa wayar (GND) litar kuasa dan papan Arduino mesti disambungkan. Jika tidak, sistem akan tidak boleh beroperasi.
- Disebabkan imuniti bunyi yang berkurangan, konduktor yang menyambungkan output pengawal dan input web harus disimpan sesingkat mungkin. Ia adalah sangat wajar bahawa mereka menjadi tidak lebih daripada 10 cm. Juga, ia tidak akan berlebihan untuk menyambungkan kapasitor C ke talian kuasa untuk voltan melebihi voltan bekalan pita, dan dengan kapasiti 1000 mikrofarad. Ia adalah perlu untuk memasang kapasitor di kawasan berhampiran pita, sebaik-baiknya pada pad kenalan.
- Jalur pita boleh Bersatu secara berurutan. Output DOUT mesti disambungkan ke input DIN bahagian seterusnya. Tetapi dengan jumlah panjang melebihi 1 meter, sambungan bersiri tidak boleh digunakan - konduktor talian kuasa web tidak direka untuk arus tinggi. Dan dalam kes ini, perlu menggunakan sambungan selari segmen.
- Jika anda menyambungkan output pengawal dan input DIN secara langsung, jika situasi tidak normal berlaku dalam luminair, output pengawal mungkin gagal. Untuk mengelakkan ini, perintang dengan rintangan sehingga beberapa ratus ohm mesti diletakkan di dalam pemutus wayar.
Kegagalan untuk mengikuti peraturan mudah ini boleh menyebabkan sistem multimedia tidak boleh beroperasi atau kegagalan komponennya.
Memeriksa kesihatan pita alamat
Kadang-kadang ada keperluan cek luminair untuk prestasi. Dan di sini masalah boleh timbul, kerana tidak mungkin untuk menyalakan LED dengan membekalkan kuasa ke pita. Juga, tidak mungkin untuk memeriksa kebolehservisan dengan penguji: kemungkinan maksimum dalam kes ini adalah untuk berdering untuk integriti talian kuasa dan sambungan. Oleh itu, cara utama untuk mengesan prestasi luminair adalah dengan menyambungkannya kepada pengawal.
Jika terdapat kanvas dengan bas kawalan wayar tunggal, anda boleh menyemak jalur LED yang boleh dialamatkan dengan menyentuh jari anda pada pad sesentuh yang digunakan isyarat kawalan (apabila kuasa digunakan pada jalur). Ini boleh menyebabkan satu atau lebih LED menyala.
LED boleh alamat-riben mempunyai keupayaan multimedia susunan magnitud lebih tinggi daripada peranti LED lain. Anda hanya perlu memahami pengurusan dan ingat beberapa syarat mudah supaya tidak ada kekecewaan dan kerugian kewangan yang tidak masuk akal.



