Esquema para fabricar um estroboscópio LED simples
Alguns proprietários de carros (entusiastas de tuning) adaptam seus carros com uma fonte de luz intermitente - um estroboscópio. Este nome não é muito correto, na técnica de um estroboscópio - um dispositivo para medir a velocidade de rotação por comparação visual com a frequência dos flashes. Mas o nome pegou, o termo pegou.
Em um ambiente real, o estroboscópio aumenta a visibilidade do carro mesmo à noite e em condições climáticas difíceis. Isso acontece devido às peculiaridades da percepção humana. Nossos sentidos, incluindo os olhos, percebem a mudança no sinal mais rápido do que sua intensidade. Portanto, flashes de luz atraem de forma confiável a atenção de outros usuários da estrada, mesmo com brilho relativamente baixo. Você mesmo pode fazer essas luzes.
O que você precisa para fazer um estroboscópio
Para a fabricação de um estroboscópio, serão necessários os seguintes componentes:
- Na verdade lanternas. Você pode usar luzes prontas (por exemplo, é fácil comprar um conjunto de luzes diurnas).Você pode montar algo caseiro (com base em faróis de neblina, etc.). Claro, as luzes estroboscópicas são construídas LEDs. Não faz sentido usar lâmpadas incandescentes, e não se trata apenas de consumo de corrente. A vida útil de um filamento de fonte de luz tradicional depende do número de vezes que é ligado e desligado. Portanto, no modo intermitente, essa lâmpada não durará muito.
- Painel de controle. Pode ser construído em uma base de elemento diferente.
- Elementos adicionais - fusível e interruptor (botão de travamento ou interruptor). O elemento fusível pode ser usado como backup, se houver um no carro, ou pode ser fornecido um adicional. Um switch não é necessário, mas altamente recomendado. Deve ser possível desligar o estroboscópio (por exemplo, para não incomodar a polícia de trânsito). O botão ou interruptor pode ser montado no painel do carro em qualquer local conveniente.
Para a instalação, é necessária uma ferramenta de metalurgia - ela é selecionada localmente, dependendo do método e local de instalação.
Esquema de um estroboscópio em um carro
O diagrama de blocos do estroboscópio é mostrado na figura.

Pode diferir ligeiramente se a placa de controle suportar controle separado das luzes no lado direito ou esquerdo da máquina.
Você pode comprar a prancha (por exemplo, em lojas online) ou pode fazer você mesmo. Sua fabricação está disponível até para um radioamador iniciante.
Em tl494
A placa de controle pode ser construída no chip TL494 comum. É um controlador PWM, mas pode ser usado como gerador de pulsos com diferentes ciclos de trabalho e frequências. Os parâmetros são controlados usando elementos externos.
Ao selecionar o valor de R4, a frequência de intermitência é definida, selecionando R3, você pode ajustar a duração das intermitências. Em vez disso, você pode montar aparadores multi-voltas e ajustar os parâmetros piscantes com eles. Como chave, você pode usar transistores de efeito de campo e bipolares para a corrente de dreno (coletor) correspondente.
Importante! Neste e nos circuitos subsequentes, deve-se atentar para a presença de limitação de corrente através da luz estroboscópica do LED - motoristas ou lastro resistor. Se não houver dispositivo ou circuito limitador de corrente, um resistor de resistência e potência apropriados deve ser conectado em série com a lâmpada.
Outras opções
Uma placa de controle muito simples pode ser feita no chip K561LA7 (análogo estrangeiro do CD4011A). Este chip é muito comum e custa um centavo. Fazer armaduras está disponível até mesmo para um amador com habilidades primárias de design de rádio. A frequência de intermitência é definida por um resistor e um capacitor. Quanto maior a capacitância e a resistência, menos frequentemente as luzes piscam. Você pode calcular aproximadamente a frequência usando a fórmula F=0,52/(R*C). Você pode finalmente definir o período de intermitência selecionando os parâmetros dos elementos da cadeia de temporização. Outra opção é instalar um resistor de sintonia em vez de um constante e selecionar o modo desejado girando-o. Em vez do K561LA7, você pode usar o chip K176LA7, mas é mais sensível à tensão de alimentação. Você também pode usar qualquer microcircuito das séries K176 e K561 contendo elementos NOT, AND-NOT, OR-NOT.
Para qualquer esquema, é necessário prever a instalação de um transistor de saída em um dissipador de calor.

O circuito pode ser um pouco complicado adicionando alguns detalhes e separando os circuitos de carga e descarga do capacitor. Os tempos de flash e pausa agora podem ser ajustados separadamente.

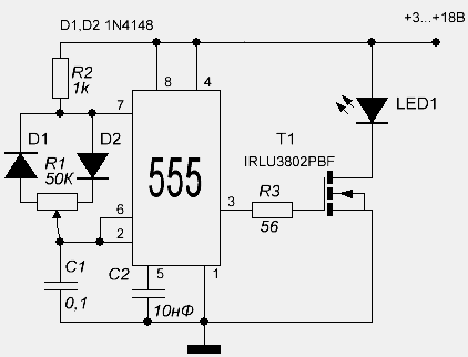
Você também pode usar o chip NE555 amplamente utilizado (KR1006VI1). Ele foi projetado para construir tais circuitos e possui uma inclusão simples com um mínimo de elementos adicionais.

Mas os melhores efeitos de iluminação podem ser alcançados com um microcontrolador. Você pode usar o "baby" Attiny13 ou a placa Arduino Nano, adicionando a eles apenas uma chave em um transistor poderoso (campo ou bipolar). Você pode escolher o tipo de transistor da tabela ou escolher o seu próprio.
| Nome do transistor | Tipo de | Corrente máxima de dreno/coletor, A |
|---|---|---|
| BUZ11A | Campo (N) | 25 |
| IRF540NPBF | Campo (N) | 33 |
| BUZ90AF | Campo (N) | 4 |
| 2SA1837 | Bipolar (n-p-n) | 1 |
| 2SB856 | Bipolar (n-p-n) | 3 |
| 2SC4242 | Bipolar (n-p-n) | 7 |
Código em Arduino ou C++ pode ser escrito até mesmo por um programador iniciante. Ao controle LED piscando como exercício é oferecido nas primeiras aulas de programação de microcontroladores. Tendo dominado um pouco as habilidades, você pode prosseguir para o desenvolvimento do programa. É possível, por exemplo, construir uma comutação cíclica da frequência de piscar com um botão de tato ou uma mudança de efeitos de iluminação. Tudo é limitado pela imaginação do desenvolvedor do programa.
A figura mostra um exemplo de circuito no Attiny13, mas você precisa entender que conectar elementos externos às pernas do microcircuito pode ser diferente - a atribuição de pinos é selecionada programaticamente.
Como montar um estroboscópio
A montagem começa com a fabricação da placa de controle. Aqueles que estão familiarizados com a tecnologia doméstica podem projetar e gravar a placa por conta própria. O resto é mais fácil montar o circuito em um pedaço de protoboard. O pagamento sem solda não pode ser aplicado - tremores e choques, que inevitavelmente acompanham a condução de um carro, levarão a uma falha nos contatos e à falha do circuito.

Para transistores de chave, é necessário instalar pequenos radiadores ou fornecer a possibilidade de conectar um dissipador de calor externo. Para fazer isso, os elementos-chave devem ser colocados na borda da placa com as superfícies de remoção de calor voltadas para fora. Após a montagem, você precisa determinar a localização da placa. Muito provavelmente, será montado no compartimento do motor. Então você precisa pegar ou fazer um invólucro que proteja contra poeira, sujeira e umidade. Nesse caso, é necessário garantir a remoção eficiente de calor dos transistores, portanto embrulhar a placa em termorretrátil não é uma boa ideia. Então você precisa escolher um local para instalar um interruptor ou botão de controle, encontrar um fusível de backup ou montar um adicional (é conveniente usar elementos fusíveis que podem ser instalados em uma quebra de fio). Depois disso, é necessário colocar os condutores e fazer a conexão de acordo com o diagrama elétrico.
Exame de saúde
Você pode pré-verificar a operacionalidade da placa estroboscópica montada sem instalá-la em um carro. Para fazer isso, em vez de uma lanterna, você precisa conectar a ela um único LED com um resistor conectado em série e fornecer 12 volts (você pode usá-lo de uma fonte de alimentação ou de uma bateria de carro). O LED deve piscar. Aqui você também pode configurar a placa selecionando os valores dos elementos de ajuste de frequência.
Uma verificação final é feita após a conclusão da instalação.Para fazer isso, use um interruptor ou botão para ligar o estroboscópio, verifique visualmente se há flashes.
Quais são os erros de fabricação?
A maioria dos erros se resume à instalação incorreta. Para evitá-los, durante a montagem, deve-se monitorar cuidadosamente a correta conexão dos fios e soldagem dos componentes eletrônicos. Com instalação sem erros e verificação preliminar da placa, tudo começará a funcionar imediatamente após a alimentação ser aplicada.
Depois de instalar o estroboscópio, a primeira coisa a fazer é visitar o departamento de polícia de trânsito para registrar as alterações - a instalação de qualquer dispositivo de iluminação que não esteja previsto no projeto requer tal procedimento. Caso contrário, você terá que se deslocar de um posto policial de trânsito para outro, cobrando multas. Deve ser lembrado que a instalação de luzes piscantes de vermelho e azul é proibida. Eles só podem ser montados em veículos de serviços especiais. Não será possível legalizar a sua instalação.


