Sensores de movimento caseiros para acender as luzes
O sensor de movimento pode ser adquirido na loja. Mas se você tiver algum tempo livre, poucas habilidades e conhecimento, poderá fazer esse sensor você mesmo. Isso economizará algum dinheiro e proporcionará um passatempo agradável para a criatividade técnica.
Qual sensor pode ser feito independentemente
Existem vários tipos de sensores de movimento e cada tipo, em princípio, pode ser feito de forma independente. Mas os sensores ultrassônicos e de radiofrequência são difíceis de fabricar, exigem habilidades e instrumentos especiais para ajuste. Portanto, é mais fácil fabricar sensores do tipo capacitivo e infravermelho.
Dispositivos e materiais
Para fazer um detector de movimento, você precisará de:
- ferro de solda e consumíveis;
- fios de conexão;
- pequena ferramenta de metalurgia;
- multímetro.
Você também precisará de uma placa de ensaio para fazer o sensor.E também é bom ter um osciloscópio para monitorar o desempenho de um dispositivo baseado em um gerador de RF.
sensor tipo capacitivo
Esses sensores respondem a mudanças na capacitância elétrica. Na Internet, na vida cotidiana e até na documentação técnica, o termo errôneo “sensor volumétrico” é frequentemente usado. Este conceito surgiu devido a uma associação incorreta entre capacidade geométrica e volume. De fato, o sensor responde à capacitância elétrica do espaço. O volume, como parâmetro geométrico, não desempenha nenhum papel aqui.

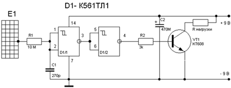
O sensor de movimento é realmente faça você mesmo. Um simples relé capacitivo pode ser montado em apenas um chip. Para construir o sensor, foi utilizado um gatilho Schmitt K561TL1. A antena é um fio ou haste com várias dezenas de centímetros de comprimento, ou outra estrutura condutora de dimensões semelhantes (malha metálica, etc.). Quando uma pessoa se aproxima, a capacitância entre o pino e o piso aumenta, a tensão nos pinos 1.2 do microcircuito aumenta. Quando o limite é atingido, o gatilho "inverte", o transistor abre através do elemento buffer D1 / 2 e alimenta a carga. Pode ser um relé de baixa tensão.
A desvantagem de tais sensores simples é a sensibilidade insuficiente. Para sua operação, é necessário que uma pessoa esteja a uma distância de várias dezenas, ou mesmo unidades de centímetros, da antena. Circuitos com gerador de RF são mais sensíveis, mas são mais complicados. As peças de enrolamento também podem ser um problema. Na maioria dos casos, você terá que fazê-los você mesmo.
A vantagem deste circuito é a possibilidade de usar um transformador pronto de um receptor de transistor ST1-A.Está incluído no circuito do gerador (indutivo "três pontos") no transistor VT1. O resistor R1 regula a profundidade do feedback, conseguindo a aparência de oscilações. As oscilações no gerador são transformadas no enrolamento III, retificado pelo diodo VD1. A tensão retificada abre o transistor VT2, fornece um potencial positivo ao eletrodo de controle do tiristor. O tiristor, abrindo, energiza o relé K1, cujos contatos podem ser usados para conectar um alarme.
A antena é um pedaço de fio de cerca de 0,5 metros de comprimento. Quando uma pessoa se aproxima (a uma distância de 1,5-2 metros), a capacitância introduzida por seu corpo no circuito do gerador interrompe as oscilações. A tensão no enrolamento III desaparece, o transistor fecha, o tiristor desliga, o relé é desenergizado.
Montagem do detector
Para montar um sensor caseiro, você pode fazer uma placa de circuito impresso. Por exemplo, o método LUT. A tecnologia é simples e fácil de dominar. Mas se a fabricação do sensor for única, não faz sentido perder tempo com experimentos. A melhor solução seria usar uma placa de circuito impresso.

Trata-se de uma placa com furos metalizados com passo padrão, na qual podem ser soldados componentes eletrônicos. A ligação ao circuito é feita soldando os condutores nos pontos correspondentes.

Você também pode usar uma placa de ensaio sem solda, mas a confiabilidade das conexões é muito menor. Esta opção é melhor deixar para experimentação e aprimorar a arte dos circuitos.
Verificando a integridade dos componentes eletrônicos
Antes de tudo, é necessário inspecionar as peças selecionadas.Se eles não estavam em uso, não há vestígios de solda e não há danos mecânicos, a verificação adicional não faz muito sentido. A probabilidade de que os componentes estejam funcionando é de 99%. Caso contrário, é uma boa ideia verificar os detalhes:
- os resistores são chamados com um multímetro - ele deve mostrar a resistência nominal (levando em consideração a classe de precisão do resistor);
- peças de enrolamento anel para ausência de quebra;
- pequenos capacitores com um testador só podem ser verificados quanto à ausência de curto-circuito;
- capacitores grandes podem ser verificados com um multímetro no modo de teste de resistência - a seta deve se mover para a direita e depois retornar lentamente a zero (esquerda);
- os diodos são verificados com um testador no modo de teste de diodo - em uma posição a resistência deve ser infinita, na outra o multímetro mostrará algum valor (dependendo do tipo de diodo);
- transistores bipolares são testados no mesmo modo que dois diodos - entre a base e o coletor e entre a base e o emissor.

Importante! Transistores de efeito de campo com junção p-n (KP305, etc.) são verificados da mesma maneira (porta-fonte, porta-dreno), mas o multímetro mostrará alguma resistência entre o dreno e a fonte (infinito para um bipolar).
Microcircuitos não podem ser verificados com um multímetro.
Marcação e corte da placa
Além disso, todos os componentes devem ser colocados na placa de forma a otimizar futuras conexões. Para fazer isso, eles devem ser colocados em um canto ou perto de um lado. Em seguida, desenhe linhas, remova elementos e corte o excesso.Isso pode ser omitido, mas a placa ocupará mais espaço e exigirá um gabinete maior (e será necessário se o detector for instalado ao ar livre).

As bordas da placa devem ser processadas com um arquivo. Não afeta o desempenho, mas parece melhor.

Em seguida, as peças são inseridas de volta, soldadas nos orifícios e conectadas com condutores de acordo com o diagrama.
O vídeo mostra como fazer um sensor de movimento para acender a luz do módulo para arduino.
Sensor infravermelho e Arduino
Você pode fazer um bom sensor de movimento na plataforma Arduino. O "construtor" eletrônico inclui um módulo sensor PIR HC-SR501. Inclui um detector infravermelho que responde remotamente às mudanças de temperatura com um controlador.

O módulo é totalmente compatível com a placa principal e está conectado a ela com três fios.

| Saída do módulo IR | GND | VCC | FORA |
| Pinagem do Arduino Uno | GND | +5V | 2 |
Para fazer o sistema funcionar, você precisa fazer o upload do seguinte sketch para o Arduino:

Primeiro, são definidas constantes que determinam a finalidade dos pinos da placa principal:
const int IRPin=2
A constante IRPin significa o número do pino para entrada do sensor, é atribuído o valor 2.
const int OUTpin=3
A constante OUTpin significa o número do pino para a saída para o relé executivo, é atribuído o valor 3.
A seção void setup() define:
- Serial.begin(9600) - velocidade de troca com o computador;
- pinMode(IRPin, INPUT) – o pino 2 é atribuído como entrada;
- pinMode(OUTpin, OUTPUT) – o pino 3 é atribuído como saída.
Na seção de loop vazio da constante valor o valor da entrada do sensor é atribuído (zero ou um). Além disso, dependendo do valor da constante, a saída 3 aparece alta ou baixa.
Verificando o desempenho e configurando os sensores
Antes de ligar o sensor montado pela primeira vez, a instalação deve ser cuidadosamente verificada. Se nenhum erro for encontrado, a tensão pode ser aplicada. Dentro de alguns segundos após ligar a energia, é necessário verificar a ausência de superaquecimento local e fumaça. Se o "teste de fumaça" for aprovado, você poderá verificar o desempenho dos sensores. Sensores no gatilho Schmitt e Arduino não requerem ajuste. Basta simular a presença de um objeto próximo ao sensor (levantar a mão) e controlar a alteração do sinal na saída. Um detector baseado em um gerador de RF requer o ajuste da hora de início da geração usando o potenciômetro P1. Você pode controlar o início das oscilações com um osciloscópio ou clicando em um relé.
Carregar conexão
Se o sensor estiver operacional, uma carga pode ser conectada a ele. Pode ser a entrada de outro dispositivo eletrônico (bip), mas muitas vezes o detector é necessário para controlar a iluminação. O problema é que a capacidade de carga da saída de um sensor caseiro não permite conectar diretamente lâmpadas de baixa potência. É por isso é necessária uma chave intermediária na forma de um relé.

Antes de conectar a partida, certifique-se de que os contatos do relé de saída do sensor permitem alternar a tensão de 220 volts. Caso contrário, você terá que instalar um relé adicional.

A saída do Arduino tem uma potência tão baixa que não pode acionar um relé ou partida diretamente. Você precisará de um relé adicional com um interruptor de transistor.
Se todas as etapas de montagem e configuração foram bem sucedidas, você pode instalar o sensor permanentemente, fazer a conexão final e desfrutar do bom funcionamento da automação.


