โครงการสำหรับการผลิตสโตรโบสโคป LED อย่างง่าย
เจ้าของรถบางคน (ผู้คลั่งไคล้ในการปรับแต่ง) ดัดแปลงรถของพวกเขาด้วยแหล่งกำเนิดแสงกะพริบ - แฟลช ชื่อนี้ไม่ถูกต้องนักในเทคนิคของสโตรโบสโคป - อุปกรณ์สำหรับวัดความเร็วในการหมุนโดยการเปรียบเทียบภาพกับความถี่ของการกะพริบ แต่ชื่อติดอยู่คำว่าติดอยู่
ในสภาพแวดล้อมจริง สโตรโบสโคปช่วยเพิ่มทัศนวิสัยของรถแม้ในเวลากลางคืนและในสภาพอากาศที่ยากลำบาก สิ่งนี้เกิดขึ้นเนื่องจากลักษณะเฉพาะของการรับรู้ของมนุษย์ ประสาทสัมผัสของเรารวมทั้งดวงตาจะสังเกตเห็นการเปลี่ยนแปลงของสัญญาณได้เร็วกว่าความเข้มของสัญญาณ ดังนั้นแสงวาบจะดึงดูดความสนใจของผู้ใช้ถนนรายอื่นได้อย่างน่าเชื่อถือ แม้ในความสว่างที่ค่อนข้างต่ำ คุณสามารถสร้างไฟเหล่านี้ได้ด้วยตัวเอง
สิ่งที่คุณต้องใช้ในการทำสโตรโบสโคป
สำหรับการผลิตสโตรโบสโคปจะต้องใช้ส่วนประกอบต่อไปนี้:
- จริงๆแล้วโคมไฟ. คุณสามารถใช้ไฟสำเร็จรูปได้ (เช่น ซื้อชุดไฟวิ่งกลางวันได้ง่ายๆ)คุณสามารถประกอบอาหารโฮมเมดได้ (ตามไฟตัดหมอก ฯลฯ) แน่นอนว่าไฟแฟลชถูกสร้างขึ้น ไฟ LED. มันไม่สมเหตุสมผลเลยที่จะใช้หลอดไส้ และไม่ใช่แค่การใช้กระแสไฟเท่านั้น อายุการใช้งานของไส้หลอดแหล่งกำเนิดแสงแบบดั้งเดิมนั้นขึ้นอยู่กับจำนวนครั้งที่เปิดและปิด ดังนั้นในโหมดกะพริบหลอดไฟดังกล่าวจะอยู่ได้ไม่นาน
- คณะกรรมการควบคุม. สามารถสร้างขึ้นบนฐานองค์ประกอบที่แตกต่างกัน
- องค์ประกอบเพิ่มเติม - ฟิวส์และสวิตช์ (ปุ่มล็อคหรือสวิตช์สลับ) องค์ประกอบที่หลอมได้สามารถใช้เป็นตัวสำรองได้หากมีอยู่ในรถหรือสามารถจัดหาชิ้นส่วนเพิ่มเติมได้ ไม่จำเป็นต้องใช้สวิตช์ แต่ขอแนะนำอย่างยิ่ง ควรปิดไฟแฟลชได้ (เช่น เพื่อไม่ให้รบกวนตำรวจจราจร) สามารถติดตั้งปุ่มหรือสวิตช์สลับบนแผงรถในตำแหน่งที่สะดวกได้
สำหรับการติดตั้งจำเป็นต้องใช้เครื่องมือโลหะ - ถูกเลือกในเครื่องขึ้นอยู่กับวิธีการและสถานที่ติดตั้ง
แผนผังของสโตรโบสโคปในรถยนต์
แผนภาพบล็อกของสโตรโบสโคปแสดงอยู่ในรูป

อาจแตกต่างกันเล็กน้อยหากแผงควบคุมรองรับการควบคุมไฟแยกที่ด้านขวาหรือด้านซ้ายของเครื่อง
คุณสามารถซื้อบอร์ดได้ (เช่น ในร้านค้าออนไลน์) หรือคุณสามารถสร้างบอร์ดเองได้ การผลิตสามารถใช้ได้แม้กระทั่งนักวิทยุสมัครเล่นมือใหม่
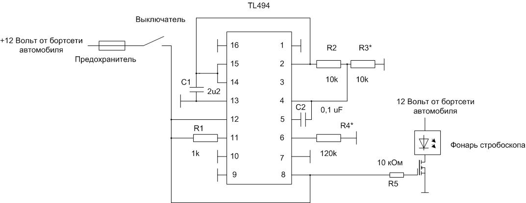
บน tl494
บอร์ดควบคุมสามารถสร้างขึ้นบนชิป TL494 ทั่วไปได้ เป็นตัวควบคุม PWM แต่สามารถใช้เป็นเครื่องกำเนิดพัลส์ที่มีรอบการทำงานและความถี่ต่างกันได้ พารามิเตอร์ถูกควบคุมโดยใช้องค์ประกอบภายนอก
เมื่อเลือกค่า R4 ความถี่ในการกะพริบจะถูกกำหนด โดยการเลือก R3 คุณจะสามารถปรับระยะเวลาของแสงแฟลชได้ แต่คุณสามารถติดทริมเมอร์แบบเลี้ยวหลายทางและปรับพารามิเตอร์การกะพริบด้วยได้ คุณสามารถใช้ทั้งทรานซิสเตอร์ภาคสนามและทรานซิสเตอร์แบบไบโพลาร์สำหรับกระแสไฟระบาย (ตัวสะสม) ที่สอดคล้องกัน
สำคัญ! ในวงจรนี้และวงจรต่อๆ ไป ควรให้ความสนใจกับการจำกัดกระแสผ่านไฟแฟลช LED - ไดรเวอร์ หรือบัลลาสต์ ตัวต้านทาน. หากไม่มีอุปกรณ์หรือวงจรจำกัดกระแส ต้องต่อตัวต้านทานที่มีความต้านทานและกำลังที่เหมาะสมเป็นอนุกรมกับหลอดไฟ
ตัวเลือกอื่น
บอร์ดควบคุมที่ง่ายมากสามารถทำได้บนชิป K561LA7 (อะนาล็อกต่างประเทศของ CD4011A) ชิปนี้เป็นเรื่องธรรมดามากและมีราคาเพียงเพนนี การทำชุดเกราะสามารถใช้ได้แม้กระทั่งมือสมัครเล่นที่มีทักษะการออกแบบวิทยุเบื้องต้น ความถี่การกะพริบถูกกำหนดโดยตัวต้านทานและตัวเก็บประจุ ยิ่งความจุและความต้านทานมากเท่าไหร่ ไฟก็จะยิ่งกะพริบน้อยลงเท่านั้น คุณสามารถคำนวณความถี่โดยประมาณโดยใช้สูตร F=0.52/(R*C). ในที่สุด คุณสามารถกำหนดระยะเวลาการกะพริบโดยการเลือกพารามิเตอร์ขององค์ประกอบของห่วงโซ่เวลา อีกทางเลือกหนึ่งคือการติดตั้งตัวต้านทานปรับค่าแทนค่าคงที่และเลือกโหมดที่ต้องการโดยหมุนตัวต้านทาน คุณสามารถใช้ชิป K176LA7 แทน K561LA7 ได้ แต่จะไวต่อแรงดันไฟฟ้ามากกว่า คุณยังสามารถใช้ไมโครเซอร์กิตซีรีส์ K176 และ K561 ที่มีองค์ประกอบ NOT, AND-NOT, OR-NOT ได้
สำหรับรูปแบบใด ๆ จำเป็นต้องจัดให้มีการติดตั้งทรานซิสเตอร์เอาท์พุทบนแผงระบายความร้อน

วงจรอาจซับซ้อนเล็กน้อยโดยการเพิ่มรายละเอียดเล็กน้อยและแยกวงจรประจุและวงจรคายประจุของตัวเก็บประจุ ตอนนี้สามารถปรับเวลาแฟลชและหยุดชั่วคราวแยกกันได้

คุณยังสามารถใช้ชิป NE555 ที่ใช้กันอย่างแพร่หลาย (KR1006VI1) ได้อีกด้วย มันถูกออกแบบมาเพื่อสร้างวงจรดังกล่าวและมีการรวมที่เรียบง่ายด้วยองค์ประกอบเพิ่มเติมขั้นต่ำ

แต่เอฟเฟกต์แสงที่ดีที่สุดสามารถทำได้ด้วยไมโครคอนโทรลเลอร์ คุณสามารถใช้ Attiny13 "baby" หรือบอร์ด Arduino Nano ได้ โดยเพิ่มเฉพาะคีย์บนทรานซิสเตอร์อันทรงพลัง (ฟิลด์หรือไบโพลาร์) คุณสามารถเลือกชนิดของทรานซิสเตอร์จากตารางหรือเลือกของคุณเอง
| ชื่อทรานซิสเตอร์ | ประเภทของ | กระแสไฟระบาย/ตัวสะสมสูงสุด A |
|---|---|---|
| BUZ11A | ฟิลด์ (N) | 25 |
| IRF540NPBF | ฟิลด์ (N) | 33 |
| BUZ90AF | ฟิลด์ (N) | 4 |
| 2SA1837 | ไบโพลาร์ (np-n) | 1 |
| 2SB856 | ไบโพลาร์ (np-n) | 3 |
| 2SC4242 | ไบโพลาร์ (np-n) | 7 |
โค้ดใน Arduino หรือ C++ สามารถเขียนได้โดยโปรแกรมเมอร์มือใหม่ ควบคุม ไฟ LED กระพริบ เนื่องจากแบบฝึกหัดนี้มีให้ในบทเรียนแรกเกี่ยวกับการเขียนโปรแกรมไมโครคอนโทรลเลอร์ เมื่อเชี่ยวชาญทักษะเพียงเล็กน้อยแล้วคุณสามารถดำเนินการพัฒนาโปรแกรมต่อไปได้ ตัวอย่างเช่น เป็นไปได้ที่จะสร้างการสลับแบบวนซ้ำของความถี่การกะพริบด้วยปุ่มชั้นเชิงหรือการเปลี่ยนเอฟเฟกต์แสง ทุกอย่างถูกจำกัดด้วยจินตนาการของผู้พัฒนาโปรแกรม
รูปภาพแสดงตัวอย่างวงจรบน Attiny13 แต่คุณต้องเข้าใจว่าการเชื่อมต่อองค์ประกอบภายนอกกับขาของไมโครเซอร์กิตอาจแตกต่างกัน - การกำหนดพินจะถูกเลือกโดยทางโปรแกรม
วิธีการประกอบสโตรโบสโคป
การประกอบเริ่มต้นด้วยการผลิตแผงควบคุม ผู้ที่คุ้นเคยกับเทคโนโลยีในบ้านสามารถออกแบบและแกะสลักบอร์ดเองได้ ส่วนที่เหลือง่ายต่อการประกอบวงจรบนแผ่นเขียงหั่นขนม ไม่สามารถใช้การชำระเงินแบบ Solderless ได้ - การสั่นและการกระแทกซึ่งเกิดขึ้นควบคู่ไปกับการขับรถอย่างหลีกเลี่ยงไม่ได้จะนำไปสู่การเสียการติดต่อและความล้มเหลวของวงจร

สำหรับทรานซิสเตอร์หลัก จำเป็นต้องติดตั้งหม้อน้ำขนาดเล็กหรือจัดให้มีแผงระบายความร้อนภายนอก ในการทำเช่นนี้ องค์ประกอบหลักจะต้องวางไว้ที่ขอบของกระดานโดยหันพื้นผิวระบายความร้อนออกด้านนอก หลังจากประกอบแล้ว คุณต้องกำหนดตำแหน่งของบอร์ด เป็นไปได้มากว่าจะติดตั้งในห้องเครื่อง จากนั้นคุณต้องหยิบหรือทำเคสที่ป้องกันฝุ่น สิ่งสกปรก และความชื้น ในกรณีนี้ จำเป็นต้องตรวจสอบให้แน่ใจว่ามีการระบายความร้อนออกจากทรานซิสเตอร์อย่างมีประสิทธิภาพ ดังนั้น การห่อบอร์ดด้วยการหดตัวด้วยความร้อนไม่ใช่ความคิดที่ดี. จากนั้นคุณต้องเลือกสถานที่ที่จะติดตั้งสวิตช์หรือปุ่มควบคุมค้นหาฟิวส์สำรองหรือติดตั้งเพิ่มเติม (สะดวกที่จะใช้องค์ประกอบที่หลอมได้ซึ่งสามารถติดตั้งได้ในลวดขาด) หลังจากนั้นจำเป็นต้องวางตัวนำและทำการเชื่อมต่อตามแผนภาพไฟฟ้า
ตรวจสุขภาพ
คุณสามารถตรวจสอบการทำงานของแผงไฟแฟลชที่ประกอบไว้ล่วงหน้าได้โดยไม่ต้องติดตั้งบนรถ ในการทำเช่นนี้แทนที่จะใช้ไฟฉาย คุณต้องเชื่อมต่อ LED เดี่ยวที่มีตัวต้านทานต่อเป็นอนุกรมและจ่ายไฟ 12 โวลต์ (คุณสามารถใช้จากแหล่งจ่ายไฟหรือจากแบตเตอรี่รถยนต์) ไฟ LED ควรกะพริบ ที่นี่คุณยังสามารถกำหนดค่าบอร์ดโดยเลือกค่าขององค์ประกอบการตั้งค่าความถี่
มีการตรวจสอบขั้นสุดท้ายหลังจากการติดตั้งเสร็จสิ้นในการดำเนินการนี้ ให้ใช้สวิตช์เปิดปิดหรือปุ่มเพื่อเปิดไฟของสโตรโบสโคป ตรวจสอบไฟแฟลชด้วยสายตา
ข้อผิดพลาดในการผลิตคืออะไร?
ข้อผิดพลาดส่วนใหญ่เกิดจากการติดตั้งที่ไม่ถูกต้อง เพื่อหลีกเลี่ยงปัญหาเหล่านี้ ในระหว่างการประกอบ คุณต้องตรวจสอบการเชื่อมต่อสายไฟและการบัดกรีชิ้นส่วนอิเล็กทรอนิกส์อย่างระมัดระวัง ด้วยการติดตั้งที่ปราศจากข้อผิดพลาดและการตรวจสอบเบื้องต้นของบอร์ด ทุกอย่างจะเริ่มทำงานทันทีหลังจากจ่ายไฟ
หลังจากติดตั้งแฟลช สิ่งแรกที่ต้องทำคือไปที่กรมตำรวจจราจรเพื่อลงทะเบียนการเปลี่ยนแปลง - การติดตั้งอุปกรณ์ให้แสงสว่างใดๆ ที่ไม่ได้จัดเตรียมไว้ให้โดยการออกแบบนั้นจำเป็นต้องมีขั้นตอนดังกล่าว มิเช่นนั้นคุณจะต้องเดินทางจากที่ทำการของตำรวจจราจรหนึ่งไปยังอีกที่หนึ่งเพื่อเก็บค่าปรับ ต้องจำไว้ว่าห้ามติดตั้งไฟกระพริบสีแดงและสีน้ำเงิน สามารถติดตั้งได้เฉพาะกับยานพาหนะของบริการพิเศษเท่านั้น การติดตั้งจะทำให้ถูกกฎหมายไม่ได้


