วิธีตรวจสอบ LED สำหรับความสามารถในการซ่อมบำรุง
ไฟ LED เป็นอุปกรณ์เซมิคอนดักเตอร์ของแสงประดิษฐ์ งานของพวกเขาขึ้นอยู่กับการปล่อยโฟตอนแสงและพลังงานแม่เหล็กไฟฟ้าในความถี่ที่มองเห็นได้อินฟราเรดและอัลตราไวโอเลต แสงเปล่งทางแยก p-n ในเขตสัมผัสของไดโอดของการนำไฟฟ้าชนิด p และ n ระหว่างกระแสคงที่คงที่ไหลผ่าน ในกรณีนี้ แสงจะถูกปล่อยออกมา (ประมาณ 6 - 15% ของไฟฟ้าที่ใช้ไป) และปล่อยความร้อน - อย่างน้อย 80 - 90% ของพลังงานนี้
สาเหตุหลักของความล้มเหลวของไดโอด
อาจมีสาเหตุหลายประการสำหรับความล้มเหลว การทดสอบทำโดยใช้เทคนิคพิเศษ สาเหตุหลักของความล้มเหลว:
- การสลายตัวทางความร้อนอันเป็นผลมาจากความร้อนสูงเกินไปและการทำลายล้าง (การทำลาย) ของผลึก. ประกอบกับการเผาเคลือบแล็คเกอร์และกล่องพลาสติก ภาพถ่ายแสดงไฟ LED ที่ดับบนแผงวงจรพิมพ์ของหลอดไฟสำหรับติดตั้งเพิ่มเติม ซึ่งเป็นอะนาล็อกของหลอดฮาโลเจน MR16 ณ อาคารแห่งหนึ่ง SMD2835 เนื่องจากความร้อนสูงเกินไปของคริสตัล สารเรืองแสงสีเหลืองที่ใช้กับคริสตัลจึงถูกเผาไหม้ มีจุดสีน้ำตาลปรากฏบนองค์ประกอบโดยมีชื่ออ้างอิง D11
- ทางแยก p-n เสียไฟฟ้า. แรงดันไฟทำงานโดยตรงของไดโอด ขึ้นอยู่กับสีของแสงและวัสดุของทางแยก p-n อยู่ในช่วง 1.5 ถึง 4-4.5 V แรงดันย้อนกลับมากกว่าแรงดันตรงหลายโวลต์ ดังนั้นแรงดันไฟกระชากอาจทำให้ไม่เสถียรที่เอาต์พุต หากเกินแรงดันย้อนกลับของไดโอด อาจเกิดการพังทลายได้
- กลไกการแตกหัก. สายไฟสีเงินหรือสีทองจ่ายกระแสไฟให้กับคริสตัลเซมิคอนดักเตอร์จากหน้าสัมผัสเคส การสั่นหรือการกระแทกอาจทำให้แตกหักได้
- การเสื่อมสภาพ. ลักษณะเฉพาะของ LED ค่อยๆ ลดลง โดยหลักคือความสว่างและสีของแสงที่เรืองแสง ความสว่างลดลงเป็นปกติ 30, 50 และ 70% ของต้นฉบับ ความสว่างลดลง 5-10% ในช่วง 1,000 ชั่วโมงแรกของการทำงานสำหรับอุปกรณ์ส่วนใหญ่ ความสว่างที่ลดลง 50 - 70% ต้องเปลี่ยนหลอดไฟ โมดูล ไม้บรรทัด หรือเทป บางครั้งก็เกิดขึ้นใน 15 - 20,000 ชั่วโมง

ที่แนะนำ: การตรวจสอบหลอดไฟ LED ด้วยมัลติมิเตอร์
การเสื่อมสภาพเกิดขึ้นในฟอสเฟอร์ของ LED สีขาวและในองค์ประกอบออปติกรอง - เลนส์ที่ติดตั้งในตัวเรือนหรือติดตั้งบนพื้นผิว ภายใต้การกระทำของแสง เลนส์จะขุ่น การส่งผ่านแสงและฟลักซ์การส่องสว่างลดลง
“การหมุน LED ด้วยมัลติมิเตอร์ การเรียกเลขหมายไดโอด” เป็นศัพท์สแลงที่เกี่ยวข้องกับวิศวกรรมไฟส่องสว่างจากวิศวกรรมไฟฟ้ากระแสต่ำเมื่อมีความจำเป็น เช่น ในการตรวจสอบความสมบูรณ์ของตัวนำในสายเคเบิล พวกเขานำแบตเตอรี่ แบตเตอรี่หรือแหล่งจ่ายไฟแบบพกพา และกระดิ่งไฟฟ้าแบบธรรมดา แบตเตอรี่และกระดิ่งเชื่อมต่อกับหน้าสัมผัสแรกของขั้วต่อสายเคเบิลด้วย "จระเข้" ที่ปลายอีกด้านของสายเคเบิล สายไฟที่เหลือเชื่อมต่อแบบอนุกรมกับสายแรก กริ่งดังแสดงความสามารถในการซ่อมบำรุงของสายไฟ
พวกเขายังตรวจสอบการลัดวงจรของสายไฟในสายเคเบิลซึ่งกันและกัน วิธีการนี้ยังใช้หลังจากตรวจสอบการโทรด้วยแอมมิเตอร์ ชื่อของการดำเนินการติดอยู่กับช่างไฟฟ้าแล้วย้ายไปที่อุปกรณ์อิเล็กทรอนิกส์ พวกเขาไม่ได้ใช้กระดิ่ง แต่เป็นเครื่องทดสอบซึ่งถูกเรียกต่างกัน - ABometer, โอห์มมิเตอร์, มัลติมิเตอร์

คุณสามารถตรวจสอบความสมบูรณ์ของ LED ด้วยมัลติมิเตอร์ได้โดยตรงบนบอร์ดหรือโดยการยกเลิกการขาย อุปกรณ์นี้ใช้สำหรับทดสอบวงจร DC และ AC วัดแรงดันไฟ ความต้านทานของตัวต้านทานในโหมดโอห์มมิเตอร์ ความสามารถในการให้บริการและประสิทธิภาพของตัวเก็บประจุ ไดโอดเรียงกระแส ทรานซิสเตอร์ p-n-p และ n-p-n และอื่นๆ

สายวัดทดสอบสีแดงและสายมัลติมิเตอร์เป็นขั้วบวกหรือวงจร "+" ของแหล่งจ่ายไฟและ ไดโอด แอโนด. สายสีดำและโพรบ - วงจรที่เชื่อมต่อกับแคโทดและขั้วลบของแหล่งกำเนิด มัลติมิเตอร์เปิดไว้สำหรับวัดกระแสตรงในช่วง 0 ถึง 20 mA หรือ 0.02 A มัลติมิเตอร์แสดง 15.7 mA ซึ่งหมายความว่าไดโอดเปิดอยู่และกระแสไฟทำงานเป็นค่าที่ระบุ LED ที่มีความสว่างปกติที่ระดับความแรงปัจจุบันนี้ควรสว่างและอุ่นขึ้นเล็กน้อย
ในรูปแบบการกำหนดไดโอด เส้นประตามขวางคือแคโทด สามเหลี่ยมคือแอโนด สี่เหลี่ยมสีน้ำเงินแสดงถึงตัวต้านทานคงที่ มันจำกัดเส้นนั่นคือ กระแสไฟ LED
เมื่อใช้แรงดันไฟฟ้าโดยตรงโดยไม่มีการจำกัดกระแส ค่าการทำงานอาจเกินและอาจเกิดการสลายทางความร้อนของไดโอด
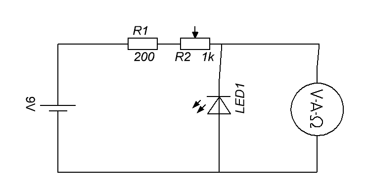
การทดสอบ LED ด้วยแบตเตอรี่
ในการทดสอบ LED ด้วยแบตเตอรี่ คุณต้องประกอบวงจรตามแผนภาพ

บนไดอะแกรม:
- LED1 - กำลังตรวจสอบอุปกรณ์
- 9V – แหล่งจ่ายไฟ (แบตเตอรี่ 9V)
- VAΩ - เครื่องมือวัดสำหรับวัด V - แรงดัน, A - กระแส, Ω - ความต้านทาน, AVOmeter หรือมัลติมิเตอร์ วงจรทำงานในโหมดการวัดแรงดันไฟ
- R1 - ตัวต้านทานจำกัดกระแส
- R2 - ตัวต้านทานปรับค่าได้ที่กำหนดความสว่างของ LED
ตัวต้านทาน R2 บนมัลติมิเตอร์ตั้งค่ากระแสไฟทำงานที่ได้รับการจัดอันดับ องค์ประกอบ LED ที่ดีให้แสง ผิดปกติ - ไม่สว่าง
คำว่า "มัลติมิเตอร์" เป็นการทับศัพท์ของชื่อสากล "มัลติมิเตอร์" มันถูกสร้างขึ้นจากเงื่อนไข Multi - a lot และ meter - เพื่อวัด มีชื่อเรียกว่า "tester", "AVOmeter" - จาก Ampere-Volt-Ohmmeter
มัลติมิเตอร์ที่ทันสมัยเป็นเครื่องมือวัดสากลพร้อมจอแสดงผลดิจิตอล

อีกชื่อหนึ่งสำหรับอุปกรณ์คือ "ผู้ทดสอบ" - การทับศัพท์ซีริลลิกของผู้ทดสอบระยะสากล - ผู้ทดสอบ, ผู้ตรวจสอบ, ผู้ทดสอบ
วิธีการโทรโดยไม่ต้องบัดกรี
ในการตรวจสอบ LED โดยไม่ต้องบัดกรี คุณต้องวิเคราะห์วงจรของอุปกรณ์ หากไม่มีวงจรขนานกับไดโอดก็สามารถส่งเสียงได้โดยไม่ต้องบัดกรีวงจรขนานสามารถส่งผลต่อผลลัพธ์ได้
บนโพรบของมัลติมิเตอร์คุณต้องบัดกรีเข็มเหล็กคม เข็มทั้งหมด ยกเว้นส่วนปลายและหัววัด ต้องหุ้มฉนวน เช่น มีท่อหดด้วยความร้อน โพรบที่มีเข็มใช้เพื่อเจาะชั้นของสารเคลือบเงาจนกว่าจะสัมผัสกับขั้วของไดโอดบนเคสหรือแผ่นสัมผัสบนกระดาน การวัดความต้านทานในทิศทางไปข้างหน้าและย้อนกลับจะแสดงความสมบูรณ์ของอุปกรณ์ ความต้านทานโดยตรง - หลายสิบถึงหลายร้อยโอห์ม ย้อนกลับคือหลายร้อยกิโลโอห์มหรือมากกว่า
การตรวจสอบไดโอด SMD ในไฟฉาย
ทำได้ก็ต่อเมื่อมาจากไฟฉาย สามารถถอดบอร์ดด้วย SMD LEDโดยไม่ทำลายมันและถ้ามีบอร์ดสำรองที่มีไดโอดตัวเดียวกัน การตรวจสอบจะดำเนินการโดยแทนที่ด้วยบอร์ดที่ทราบว่าใช้งานได้ดี
วีดีโอ
เพื่อความชัดเจน เราขอแนะนำชุดวิดีโอ
เสียงเรียกเข้าในหลอดไฟ
ด้วยความช่วยเหลือของผู้ทดสอบ
เมื่อไม่มีอุปกรณ์พิเศษ
อุปกรณ์ SMD สามารถทดสอบได้หลายวิธี วิธีที่ง่ายและประหยัดที่สุดคือการตรวจสอบด้วยมัลติมิเตอร์ ให้คุณทดสอบไดโอดโดยไม่ต้องบัดกรี เลือกวิธีการที่สะดวกสำหรับคุณ

