Как работи фенерчето
Ръчно фенерче е необходим инструмент в ежедневието и на работа. Там, където няма достатъчно осветление, това ще ви помогне да свършите работата, да намерите неизправност, да намерите паднал или търкален предмет. За да поправите повредена лампа или да я надстроите, трябва да знаете нейната електрическа верига.
Как работи ръчното фенерче
Устройството на фенерчето е просто. Състои се от отделение за батерии и отделение с емитер и рефлектор, както и ключ за захранване.

Това съдържание не се е променило от изобретяването на джобна електрическа лампа, въпреки че елементната база се е променила драстично.
Схема на обикновено фенерче
Електрическата схема на обикновен фенер се състои само от три елемента:
- батерии (или няколко);
- превключвател на захранването;
- крушки с нажежаема жичка.

Схема на фенерче на светодиоди
В съвременните условия лампите с нажежаема жичка се заменят интензивно със светодиоди.Те не издържаха на конкуренцията поради по-ниската ефективност и по-краткия експлоатационен живот. Полупроводниковите светлинни елементи също са получили широко разпространение в преносимите ръчни лампи. Но само вземането и смяната на електрическа крушка с LED (или матрица от светодиоди) няма да работи. Имате нужда от устройство, което би ограничило тока през полупроводникови елементи. Нарича се шофьор и е електронен стабилизатор на ток.

Недостатъкът на такава схема е ниската поддръжка на такова фенерче - за възстановяване на електронната схема ще е необходим квалифициран майстор и подходящо лабораторно оборудване.

Шофьорът може да е нормален резистор, което ще ограничи тока и ще погаси излишното напрежение. Но достатъчно голямо количество мощност ще бъде безполезно загубено от съпротивлението. За фенер, захранван от мрежата, този факт не е важен, но за акумулаторно или акумулаторно осветително тяло такъв недостатък може да бъде критичен.
Важно! Към дизайна на LED лампата е добавен още един елемент - топлоотвеждащ радиатор. Въпреки че излъчването на светодиодите не е основно свързано с отоплението, законът на Джоул-Ленц не може да бъде заобиколен. Когато токът преминава през излъчващи елементи, се генерира топлина. Ако не предприемете действия, тогава прегряването на светодиода значително ще намали експлоатационния им живот.
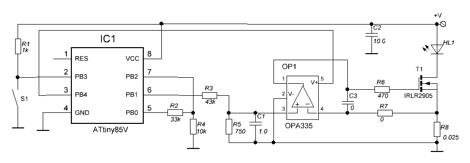
Диаграма на фаровете
Популярен дизайн на LED фенерчето е фарът. Такава лампа ви позволява напълно да освободите ръцете си и да насочите лъча светлина към правилното място, като завъртите главата си: следвайки погледа си.Това е удобно при ремонт на автомобил, при ходене в тъмни зони и т.н.
Схемата на такава лампа се основава на принципа:
- управляваща верига (отговорна за превключване на режими);
- буферен усилвател;
- транзисторен превключвател за включване на светодиода.
Една от опциите за такова устройство е, когато управляващият блок е направен на стандартен микроконтролер (например ATtiny85), в който програмата за управление на режима на излъчване е свързана, операционният усилвател OPA335 служи като междинен усилвател, а полето IRLR2905 ефект транзистор се използва като ключ.
Такава схема е евтина, надеждна, но има технологичен недостатък: контролерът трябва да бъде програмиран преди инсталирането. Следователно в масовото производство се използва специализирана микросхема FM2819 като управляващ блок (съкращението 819L може да се приложи към корпуса). Този чип може да включва и изключва излъчващия светлина елемент и е програмиран с четири режима:
- максимална яркост;
- средна яркост;
- минимална яркост;
- стробоскоп (мигаща светлина).
Режимите се превключват циклично с кратко натискане на бутона. Дълго натискане поставя фенерчето в режим SOS. Не можете да промените програмата (поне в листа с данни не се споменава такава възможност). Микросхемата не изисква междинен усилвател, но много мощни светодиоди не могат да бъдат свързани директно към изхода - има ограничение на натоварването (и има защита срещу превишаването му).

Следователно мощните елементи са свързани чрез ключ.В повечето случаи това е полеви транзистор, който позволява продължителна работа с голям ток в източната верига, например Fairchild FDS9435A или други подобни, които могат да бъдат избрани според параметрите от таблицата с характеристики на FDS9435A.
| Структура | Максимално напрежение порта-източник, V | Съпротивление при отворен канал | Максимална разсеяна мощност, W | Максимален ток на източване в непрекъснат режим, A |
| R-канал | 25 | 0,05 ома при 5,3 A, 10 V | 2,5 | 5,3 |
Веригата на фенерчето е сведена само до два активни елемента и обвързване на няколко кондензатора и резистора (плюс акумулаторни клетки и матрица от светодиоди, от само себе си).
Схема на акумулаторно фенерче с мрежово зареждане 220
По-удобно и икономично е да захранвате фенерчето не от батерии, а от акумулаторни батерии. Още по-удобно е да имате такава лампа, чийто заряд на елементите може да се подновява, без да се изваждат от корпуса. Просто свържете фенерчето към еднофазна 220 V мрежа.

Ето елементите, добавени към обичайната схема:
- пълновълнов токоизправител на диоди VD1, VD2 (може да бъде сглобен и в мостова верига);
- баластен кондензатор за затихване на излишното напрежение C1 с разрядно съпротивление R1;
- резистор R2 за ограничаване на тока на зареждане на батерията;
- верига R4VD5 за индикация на свързване към електрическата мрежа.
Важно! Такива безтрансформаторни вериги имат значителен недостатък. Ако случайно докоснете някоя точка от веригата, съществува риск от захранване. Използването на мрежов понижаващ трансформатор ще доведе до значително увеличаване на характеристиките на теглото и размера.
Следователно подобна схема става все по-рядко срещана. Батериите могат да се презареждат, без да се изваждат с помощта на външни източници на захранване с ниско напрежение (включително зареждане от USB съвместимо устройство).
Модернизация на фенерите
При по-внимателно разглеждане на веригата на фенерчето от предишния раздел става очевидно, че светодиодът VD5 винаги свети, когато е свързан към мрежа 220 V. Светенето му не зависи от заряда и дори от наличието на батерии. За да се премахне този недостатък, индикационната верига трябва да бъде включена във веригата за зареждане на батерията. За да направите това, трябва да инсталирате резистор R5 с мощност 0,5 W, така че при ток от 100 mA върху него да падне около 3 V (около 30 ома). Индикаторната верига трябва да бъде свързана паралелно по отношение на полярността.

Всички промени и допълнения са показани със синя линия. След промените светодиодът ще свети само ако има заряден ток (когато захранването на излъчващата матрица е изключено!)
Преглед на здравето
Ако китайското фенерче не работи, можете да опитате да намерите дефектния елемент и да го смените ремонт. Алгоритъмът за търсене е показан на примера на лампа с мрежово зареждане.

- Ако фенерът не свети, когато е включен, индикаторът не свети, трябва да проверите дали 220 V идва към веригата. За да направите това, измерете променливотоковото напрежение в точка 1. Ако няма напрежение, проверете захранващия кабел и конектора.
- Ако всичко е наред, светодиодът трябва да свети. Ако не, проверете веригата му, както и диода VD2 за късо съединение.
- След това трябва да извадите батериите и да проверите постоянното напрежение в точка 2 - то трябва да е приблизително равно на напрежението на батериите. Ако не, проверете състоянието на диодите VD1, VD2.
- Ако всичко е наред, вероятно батериите са лоши. Трябва да проверите напрежението върху тях.
- Ако това не е така, трябва да проверите изправността на превключвателя, като го позвъните с тестер в режим на звуков тест (при изключено устройство от мрежата и извадени батерии!).
- Ако тук всичко е наред, неизправността трябва да се търси в драйвера или в LED матрицата.
Ако имате малко познания в електротехниката, надграждането или ремонтът на ръчно фенерче не е трудно. Основното нещо е да разберете устройството му.



