Характеристики на свързване на LED лампи
LED светлините набират популярност в наши дни. Те харчат по-малко електроенергия, имат различни ъгли на осветление, различни цветове. С тяхна помощ можете да създадете интересен дизайн, да зонирате стаята. Свързването на LED лампа е доста просто, дори на труднодостъпно място. Но инсталацията има някои особености.
Характеристики на LED източници на светлина
LED лампите се предлагат в различни форми и дизайни. Те могат да приемат формата:
- дълъг таван, наподобяващ флуоресцентна лампа;
- крушки с основа, наподобяваща лампа с нажежаема жичка;
- гъвкави нишки, които могат да бъдат оформени във всякаква форма.
LED лампа или лампа обикновено има плафонкойто разпръсква ярка светлина. Поради това осветлението става по-меко, ъгълът на светене се променя. LED опциите могат да се монтират на тавана или стените по различни методи:
- завийте в основата на полилея;
- имат висяща стойка;
- прикрепете към стената или тавана със самонарезни винтове.
Осветителните тела се произвеждат в различни видове работно напрежение: 400 V, 220 V и 12 V. Във всеки случай те изискват закупуване на допълнително захранване или димер, което ще ви позволи да свържете осветителното тяло директно към мрежата.

Въпреки нюансите във връзка, всякакви LED лампа имат предимства:
- ниска консумация на енергия;
- мощна светлинна мощност или ярко сияние;
- дълъг експлоатационен живот.
Сред недостатъците се отбелязват високата цена на устройствата и студеният цвят на блясъка, който не всеки харесва.
Основни методи за свързване
Тъй като LED лампите имат различен ъгъл на гледане, те обикновено са свързани към различни схеми. Изборът на схема за свързване зависи преди всичко от:
- метод на закрепване;
- ъгъл на осветяване на светодиода;
- броя на светлините в стаята.
Има общо три схеми за свързване:
- последователен;
- успоредно;
- радиална.
Серийна верига
Последователното свързване на LED осветителните тела е просто и се използва, ако няма специални изисквания за дизайн на осветлението. Предимството е спестяване на кабел и лекота на монтаж. Всички лампи са свързани във верига една след друга. Ако обаче една от лампите се повреди, цялата верига ще изгасне. За да откриете проблема, ще трябва да проверите всеки един от тях.

В една верига могат да бъдат свързани не повече от 6 лампи или крушки. В противен случай тяхната яркост ще намалее поради увеличаване на общото съпротивление на веригата.
паралелна верига
Паралелната верига ви позволява да свържете LED лампата всяка поотделно.За 12V тела ще трябва да инсталирате няколко димера или един за цялата паралелна верига.
С веригата се изтегля общ кабел от превключвателя, който има клон към всяка крушка. Ако една от лампите не успее, тя ще изгасне, без да засегне цялата осветителна система. Дефектният инструмент ще бъде видим веднага и може бързо да бъде заменен.

Този метод отнема повече време и изисква повече кабел. Тази схема обаче е предназначена предимно за стаи с голяма площ. При тази връзка яркостта на светлината няма да зависи от броя на крушките.
Съвет! При избора на кабел за свързване е важно съкращението "NG" да присъства в маркировката, което показва негоримостта на проводника, т.к. свързването на голям брой електрически крушки увеличава риска от пожар.
Схема на лъча
Схемата на лъча за свързване на LED лампа се използва за свързване на електрически крушки в полилеи. Прилича на паралелен метод. В тази схема кабелът минава от превключвателя до разпределителен изход или възел, от който отделни клони или лъчи се простират до всяка крушка.
Ако един от светодиодите изгори, останалите ще светят, т.к. Всеки има отделен проводник.
Основният недостатък на този метод на свързване е сложността. При използване на метода в стая с голяма площ е възможна такава техника: централният кабел се простира до центъра на залата, а лъчите се отклоняват от него към всяка лампа.

За какво е водачът?
Характеристика на светодиодите е, че когато се затоплят, токът, преминаващ през тях, се увеличава. Това може да доведе до повреда скоро след началото на експлоатацията. За да се следи и регулира нивото на напрежението по време на работа е необходимо шофьор.
Изборът на мощност зависи от минималните и максималните стойности на светодиодите. Ако изберете драйвер с твърде ниски минимални стойности за свързване на LED лампи, тогава димерът няма да може да намали напрежението до необходимите стойности и лампите ще изгорят. Обратно, при ограничаване на горното напрежение, ако е необходим голям ток, тогава устройствата просто няма да могат да се запалят.
Можете да свържете колкото желаете лампи чрез един драйвер към източника на захранване, тъй като през тях ще тече ток със същата сила.
Методи за свързване на LED
Когато светодиодите са включени, тяхното съпротивление се променя постоянно, докато се нагряват. За да работят стабилно, се използват различни методи за контрол и промяна на напрежението.
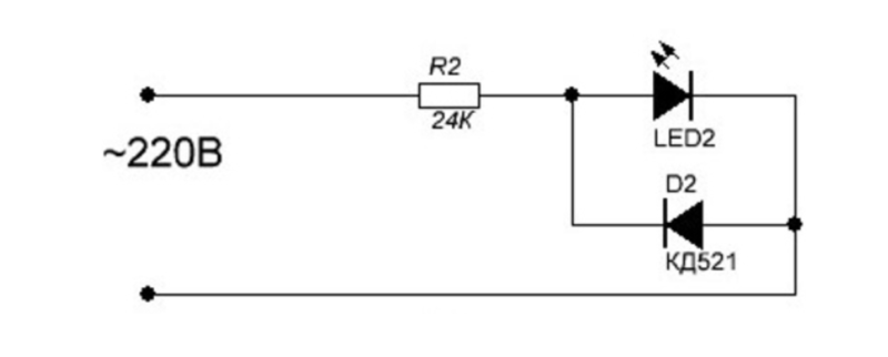
Шунтиране на светодиод с конвенционален диод

Тази техника се използва с всяка схема за свързване на LED лампи. Методът на шунтиране се състои във факта, че обикновен полупроводник с ниска мощност е свързан към LED веригата в обратна посока, която действа като резистор. Поставя се на противоположния курс успоредно на цялата схема.
Основната му функция е да изправи и изглади напрежението, подавано към светодиода. При паралелна или лъчева връзка може да падне различно напрежение на всяко устройство, така че би било по-разумно тук да се използва различен метод - антипаралелно изправяне на напрежението.
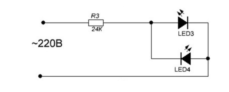
Връзка гръб към гръб на два светодиода
Този метод е подобен на предишния, но се различава по това, че резисторът или токоизправителят са свързани към всяка лампа поотделно. Тоест шунтирането на напрежението се случва на всеки етап, независимо от цялата верига.

Недостатъкът е, че в резултат на това напрежението ще спадне в цялата верига.Това означава повече консумация на електроенергия. Въпреки това, като се има предвид, че светодиодите консумират значително по-малко ток от другите лампи, този недостатък не е значителен.
Как да се свържете през превключвателя
Схема за свързване на превключвател с една група.
При свързване към превключвател също е необходимо да се използва регулатор на напрежението, който гаси резистора. Първо, нулевата фаза е свързана директно от съединителната кутия. След това към лампата се свързва резистор, а след това към него се свързва проводник с основната фаза.
При такава последователност на свързване, ако смесите фазите, нищо сериозно няма да се случи. Единственото нещо е, че лампите ще бъдат постоянно захранвани и превключвателят няма да изпълнява своята функция. Ако промените последователността и първо свържете резистора към превключвателя, тогава объркването на фазите ще доведе до незабавно изгаряне на лампите.

