วิธีทำแหล่งจ่ายไฟ 12 โวลต์ด้วยมือของคุณเอง - ตัวอย่างวงจร
แหล่งจ่ายแรงดันคงที่ 12 โวลต์เป็นอุปกรณ์ที่มีประโยชน์สำหรับบ้าน กระท่อมหรือโรงรถ อุปกรณ์ดังกล่าวทำได้ง่าย ด้านล่างนี้คือไดอะแกรมของแหล่งจ่ายไฟ 12V สำหรับการประกอบที่ต้องทำด้วยตัวเอง รวมถึงคำแนะนำในการคำนวณและการเลือกส่วนประกอบ
ประเภทของแหล่งจ่ายไฟ
จนถึงปัจจุบันแหล่งจ่ายแรงดันพัลส์ได้กลายเป็นที่แพร่หลาย พวกเขามีข้อได้เปรียบที่สำคัญกว่าวงจรหม้อแปลงแบบดั้งเดิมในแง่ของประสิทธิภาพการใช้พลังงานและน้ำหนักและขนาด เป็นที่เชื่อกันว่ากระแสโหลดมากกว่า 5 แอมแปร์มีการตั้งค่าที่ปฏิเสธไม่ได้ แต่ก็มีข้อเสียเช่นกัน เช่น การสร้างสัญญาณรบกวน RF ในเครือข่ายอุปทานและโหลดและอุปสรรคสำคัญสำหรับการประกอบภายในบ้านคือความซับซ้อนของวงจรและความต้องการทักษะพิเศษในการผลิตชิ้นส่วนที่คดเคี้ยว ดังนั้นจึงเป็นการดีกว่าสำหรับโฮมมาสเตอร์ที่มีทักษะปานกลางในการผลิตแหล่งจ่ายไฟตามหลักการปกติด้วยหม้อแปลงสเต็ปดาวน์ของเครือข่าย
แหล่งจ่ายแรงดันไฟฟ้าอยู่ที่ไหน
ขอบเขตของ PSU ในครัวเรือนนั้นกว้าง:
- แหล่งจ่ายไฟของหลอดไฟฟ้าแรงต่ำ
- การชาร์จแบตเตอรี่;
- แหล่งจ่ายไฟสำหรับอุปกรณ์เสียง
เช่นเดียวกับวัตถุประสงค์อื่น ๆ อีกมากมายที่ต้องการแรงดันไฟฟ้าคงที่ 12 โวลต์
แบบแผนของแหล่งจ่ายไฟหม้อแปลง

วงจรจ่ายไฟ 12 โวลต์ที่ทำงานจากเครือข่าย 220 V ประกอบด้วยโหนดต่อไปนี้:
- หม้อแปลงไฟฟ้าแบบสเต็ปดาวน์. ประกอบด้วยขดลวดเหล็ก ขดลวดปฐมภูมิและทุติยภูมิ โดยไม่ต้องเจาะลึกถึงหลักการทำงาน ควรสังเกตว่าแรงดันไฟขาออกขึ้นอยู่กับอัตราส่วนของการหมุนของขดลวดปฐมภูมิ (n1) และทุติยภูมิ (n2) เพื่อให้ได้ 12 โวลต์ จำเป็นต้องมีขดลวดทุติยภูมิ 220/12 = 18.3 เท่าน้อยกว่าขดลวดปฐมภูมิ
- วงจรเรียงกระแส. ส่วนใหญ่มักจะทำในรูปแบบของวงจรเต็มคลื่น (ไดโอดบริดจ์) แปลงแรงดันไฟสลับเป็นจังหวะ กระแสไหลผ่านโหลดสองครั้งในทิศทางเดียวกันการทำงานของวงจรเรียงกระแสแบบเต็มคลื่น
- กรอง. แปลงแรงดันพัลส์เป็น DC โดยจะชาร์จเมื่อมีแรงดันไฟฟ้า และคายประจุระหว่างหยุดชั่วคราว ประกอบด้วยตัวเก็บประจุออกไซด์ความจุสูง ขนานกับตัวเก็บประจุเซรามิกที่มีความจุประมาณ 1 μF มักจะเชื่อมต่อ เพื่อให้เข้าใจถึงความต้องการองค์ประกอบเพิ่มเติมนี้ ต้องจำไว้ว่าตัวเก็บประจุออกไซด์ถูกจัดเรียงในรูปแบบของแถบฟอยล์ที่ม้วนเป็นม้วนม้วนนี้มีตัวเหนี่ยวนำปรสิตซึ่งลดคุณภาพของการกรองสัญญาณรบกวนความถี่สูงอย่างมีนัยสำคัญ เมื่อต้องการทำเช่นนี้ ตัวเก็บประจุเพิ่มเติมสำหรับการลัดวงจรของ RF พัลส์จะถูกเปิดอยู่วงจรเทียบเท่าของตัวกรองที่มีออกไซด์และตัวเก็บประจุเพิ่มเติม
- ตัวกันโคลง. อาจจะหายไป แบบแผนของโหนดที่เรียบง่าย แต่มีประสิทธิภาพจะกล่าวถึงด้านล่าง
ส่วนต่อไปนี้จะกล่าวถึงวิธีการเลือกและคำนวณแต่ละองค์ประกอบของแหล่งจ่ายกระแสตรง 12 โวลต์
การเลือกหม้อแปลง
มีสองวิธีในการรับหม้อแปลงที่เหมาะสม การผลิตสเต็ปดาวน์บล็อคโดยอิสระและการเลือกอันที่เหมาะสมในโรงงาน ไม่ว่าในกรณีใด โปรดจำไว้ว่า:
- ที่เอาต์พุตของขดลวดสเต็ปดาวน์ของหม้อแปลง เมื่อวัดแรงดัน โวลต์มิเตอร์จะแสดงแรงดันไฟฟ้าที่มีประสิทธิภาพ (น้อยกว่าแอมพลิจูด 1.4 เท่า)
- บนตัวเก็บประจุกรองที่ไม่มีโหลดแรงดันคงที่จะเท่ากับแอมพลิจูดโดยประมาณ (พวกเขาบอกว่าแรงดันไฟฟ้าของตัวเก็บประจุ "เพิ่มขึ้น" 1.4 เท่า)
- หากไม่มีตัวกันโคลงภายใต้โหลดแรงดันไฟฟ้าของความจุจะลดลงขึ้นอยู่กับกระแส
- เพื่อให้โคลงทำงานได้จำเป็นต้องมีแรงดันไฟฟ้าอินพุตเกินแรงดันเอาต์พุตอัตราส่วนจะจำกัดประสิทธิภาพของแหล่งจ่ายไฟโดยรวม
จากสองจุดสุดท้าย การทำงานปกติของ PSU แรงดันไฟฟ้าของหม้อแปลงไฟฟ้าต้องเกิน 12 V.
หม้อแปลงไฟฟ้าไขลาน
การคำนวณและการผลิตเต็มรูปแบบของหม้อแปลงไฟฟ้าแบบโฮมเมดนั้นซับซ้อน ใช้เวลานาน ต้องใช้เครื่องมือและทักษะ ดังนั้นจะพิจารณาเส้นทางที่ง่ายขึ้น - การเลือกบล็อกที่เหมาะสมกับเหล็กและเปลี่ยนเป็น 12 V
หากมีหม้อแปลงสำเร็จรูป แต่ไม่มีไดอะแกรมของการเชื่อมต่อ คุณต้องเรียกเครื่องทดสอบการม้วนด้วยเครื่องทดสอบขดลวดที่มีความต้านทานสูงสุดน่าจะเป็นสายไฟหลัก ต้องถอดขดลวดที่เหลือออก
ถัดไป คุณต้องวัดความหนาของชุดเหล็ก b และความกว้างของแผ่นตรงกลาง a แล้วคูณด้วย พื้นที่หน้าตัดของแกนกลางได้มา S \u003d a * b (เป็นตารางเซนติเมตร) เป็นตัวกำหนดกำลังของหม้อแปลงไฟฟ้า P=. ถัดไปจะคำนวณกระแสสูงสุดเป็นแอมแปร์ซึ่งสามารถลบออกจากขดลวดที่มีแรงดันไฟฟ้า 12 โวลต์: I \u003d P / 12

ถัดไป จำนวนรอบต่อโวลต์คำนวณโดยใช้สูตร n=50/S สำหรับ 12 โวลต์ จำเป็นต้องหมุน 12 * n รอบโดยมีระยะขอบประมาณ 20% สำหรับการสูญเสียทองแดงและบนตัวกันโคลง และถ้าไม่ใช่ แสดงว่าแรงดันตกภายใต้โหลด และขั้นตอนสุดท้ายคือการเลือกหน้าตัดของเส้นลวดที่คดเคี้ยวตามกราฟสำหรับความหนาแน่นกระแส 2-3 mA / sq. mm.

ตัวอย่างเช่น มีหม้อแปลงไฟฟ้าที่มีขดลวดปฐมภูมิ 220 V พร้อมชุดเหล็กหนา 3.5 ซม. และลิ้นกลางกว้าง 2.5 ซม. ดังนั้น S = 2.5 * 3.5 = 8.75 และกำลังของหม้อแปลง =3 วัตต์ (โดยประมาณ) จากนั้นกระแสไฟสูงสุดที่เป็นไปได้ที่ 12 โวลต์คือ I=P/U=3/12=0.25 A สำหรับการม้วน คุณสามารถเลือกลวดที่มีเส้นผ่านศูนย์กลาง 0.35..0.4 ตร.ม. สำหรับ 1 โวลต์มี 50 / 8.75 = 5.7 รอบจำเป็นต้องหมุน 12 * 5.7 = 33 รอบ โดยคำนึงถึงสต็อก - ประมาณ 40 รอบ
การเลือกหม้อแปลงสำเร็จรูป
หากมีหม้อแปลงไฟฟ้าสำเร็จรูปที่มีขดลวดทุติยภูมิที่เหมาะกับกระแสและแรงดันไฟ คุณสามารถลองใช้หม้อแปลงไฟฟ้าสำเร็จรูปได้ ตัวอย่างเช่น ในซีรี่ส์ CCI มีผลิตภัณฑ์ที่เหมาะสมซึ่งมีแรงดันขดลวดทุติยภูมิใกล้กับ 12 โวลต์
| หม้อแปลงไฟฟ้า | การกำหนดข้อสรุปของขดลวดทุติยภูมิ | แรงดันไฟฟ้า V | กระแสที่อนุญาต A |
| หอการค้าและอุตสาหกรรม48 | 11-12, 13-14, 15-16, 17-18 | 13,8 | 0,27 |
| CCI209 | 11-12, 13-15 | 11,5 | 0,0236 |
| CCI216 | 11-12, 13-14, 15-16, 17-18 | 11,5 | 0,072 |
ข้อดีของโซลูชันนี้คือความเข้มแรงงานขั้นต่ำและความน่าเชื่อถือของการดำเนินการในโรงงาน ลบ - หม้อแปลงมีขดลวดอื่น ๆ กำลังไฟฟ้าโดยรวมจะถูกคำนวณสำหรับโหลดด้วยดังนั้นในแง่ของน้ำหนักและขนาดหม้อแปลงดังกล่าวจะสูญเสีย
การเลือกไดโอดและการผลิตวงจรเรียงกระแส
ไดโอดในวงจรเรียงกระแสจะถูกเลือกตามพารามิเตอร์สามตัว:
- แรงดันไปข้างหน้าสูงสุดที่อนุญาต
- แรงดันย้อนกลับสูงสุด
- กระแสไฟทำงานสูงสุด
ตามพารามิเตอร์สองตัวแรก 90 เปอร์เซ็นต์ของอุปกรณ์เซมิคอนดักเตอร์ที่มีอยู่นั้นเหมาะสำหรับการทำงานในวงจร 12 โวลต์ ทางเลือกส่วนใหญ่จะเลือกโดยกระแสสูงสุดที่ต่อเนื่องกัน การออกแบบเคสไดโอดและวิธีการผลิตวงจรเรียงกระแสก็ขึ้นอยู่กับพารามิเตอร์นี้เช่นกัน
หากกระแสโหลดไม่เกิน 1 A สามารถใช้ไดโอดหนึ่งแอมแปร์ต่างประเทศและในประเทศได้:
- 1N4001-1N4007;
- HER101-HER108;
- KD258 (“หยด”);
- KD212 และอื่นๆ
สำหรับกระแสไฟที่ต่ำกว่า (สูงถึง 0.3 A) อุปกรณ์ KD105 (KD106) ได้รับการออกแบบ ไดโอดที่ระบุไว้ทั้งหมดสามารถติดตั้งได้ทั้งแนวตั้งและแนวนอนบนแผงวงจรพิมพ์หรือแผงวงจร หรือเพียงแค่บนหมุด พวกเขาไม่ต้องการหม้อน้ำ

หากคุณต้องการกระแสการทำงานขนาดใหญ่ คุณจำเป็นต้องใช้ไดโอดอื่นๆ (KD213, KD202, KD203 เป็นต้น) อุปกรณ์เหล่านี้ได้รับการออกแบบสำหรับใช้กับฮีตซิงก์ หากไม่มีอุปกรณ์เหล่านี้จะทนต่อกระแสไฟสูงสุดของแผ่นป้ายชื่อได้ไม่เกิน 10% ดังนั้นคุณต้องเลือกฮีทซิงค์สำเร็จรูปหรือทำจากทองแดงหรืออลูมิเนียมด้วยตัวเอง

นอกจากนี้ยังสะดวกในการใช้ส่วนประกอบบริดจ์ไดโอดสำเร็จรูป KTS405, KVRS หรืออื่นๆ ที่คล้ายกัน ไม่จำเป็นต้องประกอบขึ้น - เพียงพอที่จะใช้แรงดันไฟฟ้าสลับกับเอาต์พุตที่เกี่ยวข้องและลบค่าคงที่

ความจุของตัวเก็บประจุ
ความจุของตัวเก็บประจุขึ้นอยู่กับโหลดและระลอกคลื่นที่อนุญาตในการคำนวณความจุอย่างแม่นยำ มีสูตรและเครื่องคิดเลขออนไลน์ที่สามารถพบได้บนอินเทอร์เน็ต สำหรับการฝึกฝน คุณสามารถเน้นไปที่ตัวเลข:
- ที่กระแสโหลดต่ำ (หลายสิบมิลลิแอมป์) ความจุควรเป็น 100..200 uF;
- ที่กระแสสูงถึง 500 mA จำเป็นต้องใช้ตัวเก็บประจุ 470..560 uF
- สูงถึง 1 A - 1,000..1500 uF
สำหรับกระแสที่สูงขึ้น ความจุจะเพิ่มขึ้นตามสัดส่วน วิธีทั่วไปคือยิ่งตัวเก็บประจุมีขนาดใหญ่เท่าไรก็ยิ่งดีเท่านั้น คุณสามารถเพิ่มความจุได้ในทุกระดับ โดยจำกัดด้วยขนาดและราคาเท่านั้น ในแง่ของแรงดันไฟฟ้าจำเป็นต้องใช้ตัวเก็บประจุที่มีระยะขอบอย่างจริงจัง ดังนั้นสำหรับวงจรเรียงกระแส 12 โวลต์ ควรใช้องค์ประกอบ 25 โวลต์มากกว่าวงจรเรียงกระแสขนาด 16 โวลต์
ข้อควรพิจารณาเหล่านี้เป็นจริงสำหรับแหล่งที่ไม่เสถียร สำหรับ PSU ที่มีตัวกันโคลง สามารถลดได้หลายเท่า
เสถียรภาพแรงดันขาออก
ไม่จำเป็นต้องใช้ตัวกันโคลงที่เอาต์พุตของแหล่งจ่ายไฟเสมอไป ดังนั้น หากควรใช้หน่วยจ่ายไฟร่วมกับอุปกรณ์สร้างเสียง เอาต์พุตจะต้องมีแรงดันไฟฟ้าที่เสถียร และถ้าองค์ประกอบความร้อนทำหน้าที่เป็นภาระ ตัวกันโคลงจะซ้ำซ้อนอย่างชัดเจน สำหรับ แหล่งจ่ายไฟแถบ LED คุณสามารถทำได้โดยไม่ต้องใช้โมดูลจ่ายไฟที่ซับซ้อนที่สุด แต่ในทางกลับกัน แรงดันไฟฟ้าที่เสถียรช่วยให้มั่นใจถึงความเป็นอิสระของความสว่างของการเรืองแสงในระหว่างที่ไฟกระชากและยืดอายุของหลอดไฟ LED
หากตัดสินใจติดตั้งตัวกันโคลง วิธีที่ง่ายที่สุดคือการประกอบบนชิป LM7812 เฉพาะ (KR142EN5A) วงจรสวิตชิ่งนั้นเรียบง่ายและไม่ต้องการการปรับแต่ง

สามารถใช้แรงดันไฟฟ้าตั้งแต่ 15 ถึง 35 โวลต์กับอินพุตของโคลงดังกล่าว ต้องติดตั้งตัวเก็บประจุ C1 ที่มีความจุอย่างน้อย 0.33 ไมโครฟารัดที่อินพุต อย่างน้อย 0.1 ไมโครฟารัดที่เอาต์พุตตัวเก็บประจุของบล็อกตัวกรองมักจะทำหน้าที่เป็น C1 หากความยาวของสายเชื่อมต่อไม่เกิน 7 ซม. หากไม่สามารถรักษาความยาวนี้ได้จะต้องติดตั้งองค์ประกอบแยกต่างหาก
ชิป 7812 มีการป้องกันความร้อนสูงเกินไปและไฟฟ้าลัดวงจร แต่เธอไม่ชอบการกลับขั้วของขั้วที่อินพุตและการจ่ายแรงดันไฟฟ้าภายนอกไปยังเอาต์พุต - เวลาในชีวิตของเธอในสถานการณ์เช่นนี้คำนวณเป็นวินาที
สำคัญ! สำหรับกระแสโหลดที่มากกว่า 100 mA จำเป็นต้องติดตั้งตัวปรับความเสถียรในตัวบนฮีตซิงก์!
การเพิ่มกระแสไฟขาออกของตัวกันโคลง
รูปแบบข้างต้นช่วยให้คุณสามารถโหลดโคลงที่มีกระแสสูงถึง 1.5 A หากยังไม่เพียงพอ คุณสามารถจ่ายไฟให้กับโหนดด้วยทรานซิสเตอร์เพิ่มเติม
วงจรที่มีทรานซิสเตอร์โครงสร้าง npn

นักพัฒนาแนะนำวงจรนี้และรวมอยู่ในแผ่นข้อมูลสำหรับชิป กระแสไฟขาออกต้องไม่เกินกระแสสะสมสูงสุดของทรานซิสเตอร์ซึ่งต้องมีฮีตซิงก์
วงจรทรานซิสเตอร์ Pnp
หากไม่มีเซมิคอนดักเตอร์ไตรโอดของโครงสร้าง n-p-n ก็สามารถเพิ่มสเตบิไลเซอร์ได้ด้วย p-n-p เซมิคอนดักเตอร์ไตรโอด

ไดโอดซิลิคอนกำลังต่ำ VD เพิ่มแรงดันเอาต์พุตของ 7812 ขึ้น 0.6 V และชดเชยแรงดันตกคร่อมทางแยกอีซีแอลของทรานซิสเตอร์
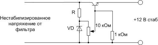
Parametric Stabilizer
หากไม่มีตัวควบคุมแบบรวมด้วยเหตุผลบางประการ คุณสามารถเรียกใช้โหนดบนซีเนอร์ไดโอดได้ จำเป็นต้องเลือกซีเนอร์ไดโอดที่มีแรงดันไฟฟ้าคงที่ 12 V และออกแบบมาสำหรับกระแสโหลดที่เหมาะสม กระแสไฟสูงสุดสำหรับไดโอดซีเนอร์ในประเทศและนำเข้าขนาด 12 โวลต์บางตัวแสดงอยู่ในตาราง
| ชนิดซีเนอร์ | D814G | D815D | KS620A | 1N4742A | BZV55C12 | 1N5242B |
| โหลดปัจจุบัน | 5 mA | 0.5 A | 50 mA | 25 mA | 5 mA | 40 mA |
| เสถียรภาพแรงดันไฟฟ้า | 12 โวลต์ | |||||

ค่าตัวต้านทานคำนวณโดยสูตร:
R \u003d (Uin min-Ust) / (สูงสุด + Ist min) โดยที่:
- Uin min - แรงดันไฟฟ้าที่ไม่เสถียรอินพุตขั้นต่ำ (ควรมีอย่างน้อย 1.4 Ust), โวลต์;
- Ust - แรงดันเสถียรภาพของซีเนอร์ไดโอด (ค่าอ้างอิง), โวลต์;
- สูงสุด - กระแสโหลดสูงสุด
- Ist min - กระแสเสถียรภาพต่ำสุด (ค่าอ้างอิง)
หากไม่มีซีเนอร์ไดโอดสำหรับแรงดันไฟฟ้าที่ต้องการ ก็สามารถประกอบเป็นชุดที่ต่อกันเป็นชุดได้ 2 ชุด ในกรณีนี้ แรงดันไฟฟ้าทั้งหมดควรเป็น 12 V (เช่น D815A ที่ 5.6 โวลต์ บวก D815B ที่ 6.8 โวลต์ จะให้ 12.4 V)
สำคัญ! เป็นไปไม่ได้ที่จะเชื่อมต่อซีเนอร์ไดโอด (แม้แต่ชนิดเดียวกัน) แบบขนาน "เพื่อเพิ่มกระแสเสถียรภาพ"!

คุณสามารถเพิ่มพลังงานให้กับตัวปรับความคงตัวแบบพาราเมตริกได้ในลักษณะเดียวกัน - โดยการเปิดทรานซิสเตอร์ภายนอก

สำหรับทรานซิสเตอร์อันทรงพลังต้องจัดเตรียมหม้อน้ำ แรงดันไฟจ่ายในกรณีนี้จะน้อยกว่า Ust ของซีเนอร์ไดโอด 0.6 V หากจำเป็น แรงดันเอาต์พุตสามารถปรับสูงขึ้นได้โดยการเปิดซิลิคอนไดโอด (หรือสายโซ่ของไดโอด) แต่ละองค์ประกอบในสายโซ่จะเพิ่ม Vout ประมาณ 0.6 V.

การควบคุมแรงดันไฟขาออก
หากแรงดันไฟฟ้าของแหล่งจ่ายไฟต้องถูกควบคุมจากศูนย์ วงจรที่เหมาะสมที่สุดจะเป็นตัวปรับความเสถียรแบบพาราเมตริกด้วยการเพิ่มตัวต้านทานแบบปรับค่าได้

ตัวต้านทาน 1 kΩ ที่เชื่อมต่อระหว่างฐานของทรานซิสเตอร์และสายสามัญจะป้องกันไตรโอดจากความล้มเหลวหากวงจรเครื่องยนต์โพเทนชิออมิเตอร์แตกเมื่อหมุนลูกบิดของตัวต้านทานแบบปรับค่าได้ แรงดันไฟฟ้าที่ฐานของทรานซิสเตอร์จะเปลี่ยนจาก 0 เป็น Ust ของซีเนอร์ไดโอด โดยมีความล่าช้าประมาณ 0.6 โวลต์ ควรคำนึงว่าพารามิเตอร์ของโหนดจะแย่ลงเนื่องจากการใช้โพเทนชิออมิเตอร์ - การปรากฏตัวของหน้าสัมผัสที่เคลื่อนที่ (แม้จะมีคุณภาพดี) จะลดความเสถียรของแรงดันไฟฟ้าที่ฐานของทรานซิสเตอร์อย่างหลีกเลี่ยงไม่ได้
การบรรลุการควบคุม 0 ถึง 12 โวลต์ด้วยตัวควบคุมแบบรวมซีรีย์ 78XX นั้นยากกว่ามาก หากช่วงการควบคุมที่ 5 ถึง 12 V เพียงพอ คุณสามารถใช้ชิป 7805 และเปิดเครื่องตามวงจรโพเทนชิออมิเตอร์ได้ ซีเนอร์ไดโอดควรมีแรงดันไฟฟ้าประมาณ 7 โวลต์ (KS168 มีหรือไม่มีไดโอด KS175 เป็นต้น) ในตำแหน่งด้านล่างของตัวเลื่อนโพเทนชิออมิเตอร์ พิน GND เชื่อมต่อกับสายสามัญ และเอาต์พุตจะเป็น 5 โวลต์ เมื่อเครื่องยนต์ถูกเลื่อนไปที่เอาท์พุตบน แรงดันไฟบนเครื่องยนต์จะเพิ่มขึ้นเป็น Ust ของซีเนอร์ไดโอด และบวกกับแรงดันไฟเสถียรของไมโครเซอร์กิต

คุณสามารถใช้ชิป LM317 นอกจากนี้ยังมีเทอร์มินัลสามเครื่องและได้รับการออกแบบมาโดยเฉพาะเพื่อสร้างแหล่งที่มีการควบคุม แต่ตัวกันโคลงนี้มีเกณฑ์แรงดันไฟฟ้าต่ำกว่าเริ่มต้นที่ 1.25 โวลต์ มีวงจรมากมายบนอินเทอร์เน็ตบน LM317 โดยมีการปรับจากศูนย์ แต่ 90+ เปอร์เซ็นต์ของวงจรเหล่านี้ไม่ทำงาน

อ่าน:แหล่งจ่ายไฟแบบโฮมเมดพร้อมการควบคุมแรงดันและกระแส 0 ถึง 30V
เค้าโครงเครื่องมือ
หลังจากเลือกโหนดทั้งหมดหรือมีแนวคิดที่ชัดเจนว่าจะเป็นอะไรคุณสามารถดำเนินการจัดวางอุปกรณ์ได้ สิ่งสำคัญคือต้องทำความเข้าใจว่าอุปกรณ์ในอนาคตจะเป็นอย่างไรสามารถเลือกแบบสำเร็จรูปได้ ทำเองได้ ถ้ามีวัสดุและทักษะ
ไม่มีกฎพิเศษสำหรับการจัดวางโหนดภายในเคส แต่ควรจัดเรียงโหนดเพื่อให้เชื่อมต่อด้วยตัวนำแบบอนุกรมดังในแผนภาพและตามระยะทางที่สั้นที่สุด ควรวางขั้วต่อเอาท์พุตไว้ด้านตรงข้ามกับสายไฟหลัก ทางที่ดีควรแก้ไขสวิตช์ไฟและฟิวส์ที่ด้านหลังของอุปกรณ์ สำหรับการใช้พื้นที่ระหว่างเคสอย่างมีเหตุผล โหนดบางตัวสามารถติดตั้งในแนวตั้งได้ แต่ควรยึดไดโอดบริดจ์ในแนวนอนจะดีกว่า เมื่อติดตั้งในแนวตั้ง กระแสลมร้อนจากไดโอดด้านล่างจะไหลไปรอบๆ องค์ประกอบด้านบนและให้ความร้อนเพิ่มเติม
สำหรับผู้ที่ไม่เข้าใจ ดูวิดีโอ: แหล่งจ่ายไฟทำเองง่ายๆ
การประกอบแหล่งจ่ายไฟ DC แบบคงที่นั้นทำได้ง่าย สิ่งนี้อยู่ในอำนาจของปรมาจารย์ทั่วไป คุณต้องการเพียงแค่ความรู้เบื้องต้นในด้านวิศวกรรมไฟฟ้าและทักษะในการติดตั้งขั้นต่ำ



