วิธีทำแผงโซลาร์เซลล์ที่บ้าน
แบตเตอรี่พลังงานแสงอาทิตย์ที่ต้องทำด้วยตัวเองนั้นประกอบได้ง่ายกว่าที่หลายคนคิด ในการทำงานนั้น คุณไม่จำเป็นต้องเป็นวิศวกรไฟฟ้า ใช้เครื่องมือที่สามารถซื้อได้ด้วยเงินเพียงเล็กน้อย สิ่งสำคัญคือต้องเข้าใจหัวข้อนี้ให้ดี สร้างไดอะแกรมโดยละเอียดและซื้อส่วนประกอบคุณภาพสูง

โฟโต้เซลล์ชนิดใดที่เหมาะสมและหาซื้อได้ที่ไหน
ก่อนอื่นต้องพิจารณาก่อนว่า ชนิดของโฟโตเซลล์ กำลังมีการผลิตและทำความเข้าใจคุณลักษณะของพวกเขา:
- แผงซิลิกอนโมโนคริสตัลไลน์ทำมาจากแท่งหลอมคุณภาพสูงสุดแผ่นบางถูกตัดซึ่งมีอายุการใช้งานยาวนานถึง 50 ปีและมีประสิทธิภาพประมาณ 19% แต่ราคาของการตัดสินใจครั้งนี้ใหญ่ที่สุด
- โมดูลคริสตัลไลน์ทำจากซิลิกอนคุณภาพต่ำกว่า แต่มีประสิทธิภาพที่ดี 15% ซึ่งมีอายุการใช้งาน 25 ปี ทำให้ตัวเลือกนี้เหมาะสมที่สุดในแง่ของอัตราส่วนราคาต่อคุณภาพตัวเลือกโพลีคริสตัลลีนเหมาะที่สุด
- โมดูลอสัณฐานมีความโดดเด่นด้วยความจริงที่ว่าซิลิกอนวางอยู่บนฐานที่ยืดหยุ่น ทำให้แผ่นมีน้ำหนักเบาและราคาไม่แพง แต่ในแง่ของอายุการใช้งานและประสิทธิภาพ แย่กว่าโซลูชันแรก
ตัวเลือกแบบโฮมเมดมักจะด้อยกว่าแผงโซลาร์เซลล์ของโรงงานเสมอ สิ่งนี้เกิดขึ้นได้จากหลายสาเหตุ ตั้งแต่ความแม่นยำในการคำนวณและคุณภาพของชิ้นส่วน ไปจนถึงการไม่สามารถซื้อส่วนประกอบบางส่วนแยกต่างหากได้ แต่ถ้าคุณเลือกประเภทที่เหมาะสมและทำงานตามคำแนะนำ คุณจะได้โมดูลคุณภาพสูงและมีประสิทธิภาพ
ไม่มีตัวเลือกฟิล์มวางจำหน่าย ดังนั้นคุณจะต้องเลือกระหว่างผลิตภัณฑ์โมโนคริสตัลลีนและโพลีคริสตัลลีน ประเภทที่สองมีราคาถูกกว่าจึงใช้บ่อยกว่า
การเตรียมโครงการและการเลือกสถานที่

การสร้างวงจรแบตเตอรี่แบบโฮมเมดที่ง่ายที่สุดไม่ใช่เรื่องยากสำหรับสิ่งนี้คุณต้องคำนึงถึงสองสามประเด็น:
- พลังงานที่จำเป็น คำนวณจากการใช้พลังงาน คุณสามารถครอบคลุมความต้องการได้เพียงบางส่วน เพิ่มประสิทธิภาพเมื่อเวลาผ่านไป หรือคุณสามารถติดตั้งแผงควบคุมได้มากเท่าที่ต้องการเพื่อให้มีอิสระอย่างสมบูรณ์
- จำนวนโฟโตเซลล์และอุปกรณ์เสริมสำหรับพวกเขา เป็นการดีกว่าที่จะคำนวณล่วงหน้าเพื่อสั่งซื้อทุกสิ่งที่คุณต้องการและไม่ต้องรอหลายสัปดาห์สำหรับการส่งมอบส่วนที่ขาดหายไป
- ควรพิจารณาล่วงหน้าในการออกแบบเฟรมและระบบยึดซึ่งต้องให้ความน่าเชื่อถือ เป็นสิ่งสำคัญที่ลมแรง แผงโซลาร์จะไม่พลิกคว่ำและตกลงมา เนื่องจากแผงโซลาร์เซลล์จะเสียหายได้
มีการเลือกสถานที่เพื่อให้แผงโซลาร์เซลล์ได้รับแสงเกือบตลอดทั้งวัน ส่วนใหญ่มักจะวางแบตเตอรี่ไว้บน หลังคา หรือบนพื้นดิน สิ่งสำคัญคือต้องไม่มีเงาตกบนพื้นผิว มุมจะถูกเลือกขึ้นอยู่กับภูมิภาค ในเลนกลาง ตัวบ่งชี้ที่เหมาะสมคือตั้งแต่ 50 ถึง 60 องศา สำหรับช่วงฤดูหนาว คุณสามารถเพิ่มมุมได้ถึง 70 และในฤดูร้อน ให้ลดมุมลงเหลือ 30-40 องศา
การประกอบการก่อสร้าง
แผงโซลาร์ที่ต้องทำด้วยตัวเองนั้นประกอบขึ้นเป็นหลายขั้นตอน ทางที่ดีควรทำงานเพื่อไม่ให้พลาดอะไรและได้ผลลัพธ์ที่ดี
การผลิตเฟรม

พื้นฐานของเซลล์แสงอาทิตย์ในอนาคตต้องแข็งแรง ทนทาน สามารถทำจากวัสดุต่างๆ ได้ คุณสามารถใช้ไม้อัดทนความชื้นหรือบอร์ด OSB ได้ ในกรณีนี้งานจะดำเนินการดังนี้:
- ตัดชิ้นส่วนที่มีขนาดเหมาะสม กรอบทำด้วยแท่งไม้รอบปริมณฑล สิ่งสำคัญคือต้องติดตั้งชิ้นส่วนทั้งหมดให้พอดีกันอย่างแม่นยำเพื่อไม่ให้มีช่องว่าง และอัดจาระบีข้อต่อและข้อต่อด้วยสภาพอากาศ- เคลือบหลุมร่องฟันทน จากนั้นพื้นผิวถูกปกคลุมด้วยสารป้องกันหรือสีและปล่อยให้แห้งสนิท ควรใช้สารเคลือบหลายชั้น
- ใช้โครงอลูมิเนียมเนื่องจากแข็งแรงและทนทานกว่าไม้มาก ในกรณีนี้ มุมจะถูกเลือกและเชื่อมต่อเพื่อสร้างกรอบทึบ วางลูกแก้วหรือวัสดุโปร่งใสอื่น ๆ ข้อต่อทั้งหมดจะต้องได้รับการเคลือบหลุมร่องฟันเพื่อไม่ให้มีช่องว่าง คุณสามารถทำงานต่อได้หลังจากที่องค์ประกอบแห้งสนิทแล้ว ส่วนเกินสามารถตัดออกด้วยมีดก่อสร้างจำเป็นต้องมีการปิดผนึกผลิตภัณฑ์
อนึ่ง! ขนาดของเฟรมจะถูกเลือกตามพารามิเตอร์ของโฟโตเซลล์ที่ซื้อ แม้ว่าจะไม่เป็นเช่นนั้น แต่ก็เป็นการดีกว่าที่จะไม่สร้างเฟรม
บัดกรีสายไฟและเชื่อมต่อ photocells
โมดูลทั้งหมดมีหน้าสัมผัสที่มีขั้วต่างกันก่อนเริ่มงานจะถูกเช็ดด้วยแอลกอฮอล์หลังจากนั้นจะบัดกรีตัวนำไฟฟ้า เท่านั้นจึงจะสามารถรวมเข้าด้วยกันเพื่อประกอบระบบได้ หากตัวนำถูกบัดกรีแล้ว จะต้องตรวจสอบการเชื่อมต่อทั้งหมด ซึ่งมักจะมีข้อบกพร่องที่ต้องแก้ไขก่อนการติดตั้ง หากใช้ยางพิเศษ คำแนะนำในการทำงานมีดังนี้:
- ยางต้องถูกตัดเป็นเส้นขนาดที่เหมาะสมหากมาในแผ่นเดียว ต้องเช็ดหน้าสัมผัสบนจานด้วยแอลกอฮอล์เพื่อล้างไขมันหลังจากนั้นจึงใช้ฟลักซ์ชั้นเล็ก ๆ อย่างระมัดระวัง
- ควรใช้ยางกับหน้าสัมผัสตลอดความยาวหลังจากนั้นควรดึงหัวแร้งที่ให้ความร้อนเหนือพื้นผิวโดยไม่มีแรงกดเพื่อไม่ให้แผงเสียหาย หลังจากเย็นตัวลงองค์ประกอบจะถูกพลิกกลับและงานจะถูกทำซ้ำบนหน้าสัมผัสจากด้านที่สองในลำดับเดียวกันคุณต้องบัดกรีอย่างระมัดระวัง
- ในการวางการเชื่อมต่ออย่างถูกต้องและเลือกความยาวที่เหมาะสม ก่อนอื่นให้จัดวางโมดูลบนฐานที่เตรียมไว้และทำเครื่องหมายตำแหน่ง
- การเตรียมเซลล์แสงอาทิตย์ด้วยมือของคุณเองไม่ใช่เรื่องยาก หลังจากต่อหมุดแล้ว โมดูลจะเข้าที่และเชื่อมต่อเข้าด้วยกัน สิ่งสำคัญคือการปฏิบัติตามการปฏิบัติตามขั้ว
หากมีความผิดปกติในการเชื่อมต่อของบัสกับหน้าสัมผัสจำเป็นต้องดึงหัวแร้งลงบนพื้นผิวอีกครั้ง
แอพลิเคชันของเคลือบหลุมร่องฟัน
ที่บ้านเป็นเรื่องง่ายที่สุดในการสร้างสารประกอบที่ทนต่อสภาพอากาศซึ่งขายในร้านค้าทั้งหมด งานเสร็จสิ้นดังนี้:
- ขั้นแรก คุณต้องหยดองค์ประกอบลงไปตามขอบของโฟโตเซลล์หลังจากระยะทางสั้นๆ หลังจากนั้นวางบนฐานโปร่งใสตามเครื่องหมายที่ทำไว้ก่อนหน้านี้ สิ่งสำคัญคือต้องจัดเรียงโมดูลและกดให้แน่นที่สุดกับพื้นผิว
- ในการตรึงในตำแหน่งที่เหมาะสม ตุ้มน้ำหนักใดๆ จะถูกวางบนตำแหน่งที่เคลือบหลุมร่องฟัน สามารถลบออกได้หลังจากที่องค์ประกอบแห้งแล้ว
- ถัดไปคุณต้องปิดขอบทั้งหมดด้วยวัสดุเคลือบหลุมร่องฟันรวมถึงรอยต่อระหว่างองค์ประกอบเพื่อที่จะปิดผนึกอย่างสมบูรณ์ เป็นสิ่งสำคัญที่จะไม่เข้าไปในส่วนการทำงาน
การประกอบแผง
เมื่อวัสดุยาแนวแห้ง คุณสามารถประกอบขั้นสุดท้ายได้ อาจมีลักษณะเฉพาะบางอย่างขึ้นอยู่กับระบบ แต่ส่วนใหญ่มักจะมีลักษณะดังนี้:
- ประการแรก ขั้วต่อสำหรับเชื่อมต่อติดอยู่ที่ด้านข้างของเคส ซึ่งต้องต่อไดโอด Schottky
- หน้าจอของวัสดุโปร่งใสถูกตัดออกที่ด้านนอก ซึ่งยึดติดกับวัสดุเคลือบหลุมร่องฟันได้ดีที่สุดเพื่อให้แน่ใจว่าโครงสร้างมีความรัดกุมและป้องกันไม่ให้ความชื้นเข้าไปภายใน
- สินค้าสำเร็จรูปได้รับการตรวจสอบประสิทธิภาพ หากทุกอย่างเรียบร้อยดี คุณสามารถวางไว้บนโครงยึดเพื่อติดตั้งแบตเตอรี่ในตำแหน่งที่เตรียมไว้
วิธีทำแหล่งจ่ายไฟจากวัสดุชั่วคราว
คุณสามารถประกอบแบตเตอรี่ที่ง่ายที่สุดจากองค์ประกอบชั่วคราว มีหลายตัวเลือกที่นิยมมากที่สุดคือ:
- นำฟอยล์ทองแดงชิ้นหนึ่งมาอุ่นบนเตาไฟฟ้าเป็นเวลาครึ่งชั่วโมงหลังจากเย็นตัวลงฟิล์มออกไซด์จะถูกลบออกจากพื้นผิว ตัดชิ้นที่สองที่มีขนาดเท่ากันทั้งสององค์ประกอบงอเล็กน้อยและวางในขวดหรือขวดที่ตัดเพื่อไม่ให้สัมผัสกัน จระเข้ติดอยู่ที่ขอบเทน้ำเกลือลงในภาชนะหลังจากนั้นจะเริ่มสร้างกระแส
- หากคุณมีทรานซิสเตอร์ที่ไม่จำเป็นอยู่ในมือ คุณสามารถแยกเซมิคอนดักเตอร์ออกจากพวกมันและประกอบแบตเตอรี่พลังงานแสงอาทิตย์ องค์ประกอบที่ประกอบแล้วจะถูกวางไว้บนจานและเชื่อมต่อหลังจากนั้นจึงเชื่อมต่อสายไฟและสามารถใช้ระบบได้ ตัวเลือกนี้จะไม่ให้พลังงานมาก แต่เพียงพอสำหรับวิทยุเพื่อทำงานและชาร์จโทรศัพท์
- คุณสามารถสร้างแหล่งพลังงานจากไดโอด สำหรับสิ่งนี้ คุณต้องเปิดพวกมันเพื่อเปิดโฟโตเซลล์ ในการลบองค์ประกอบจะถูกทำให้ร้อนเพื่อละลายบัดกรี ผลึกที่สกัดออกมาจะถูกบัดกรีเข้ากับตัวเครื่องและเชื่อมต่อกับระบบ
- จากกระป๋องเบียร์คุณสามารถประกอบโครงสร้างเพื่อให้ความร้อนกับน้ำหรืออากาศเมื่อต้องการทำเช่นนี้ส่วนบนจะถูกตัดออกในนั้นทำรูที่ส่วนล่างล้างภาชนะอย่างดี จากนั้นกล่องขนาดใหญ่ก็ทำจากบล็อกไม้และโพลีคาร์บอเนต ธนาคารวางเป็นแถวและเชื่อมต่อกับวัสดุเคลือบหลุมร่องฟัน หลังจากทาสีดำบนพื้นผิวแล้ว คุณสามารถวางโมดูลไว้ด้านนอกได้

ธนาคารจะกดง่ายที่สุดด้วยแผ่นยาวหรือแท่งยาวทุก 50-80 ซม.
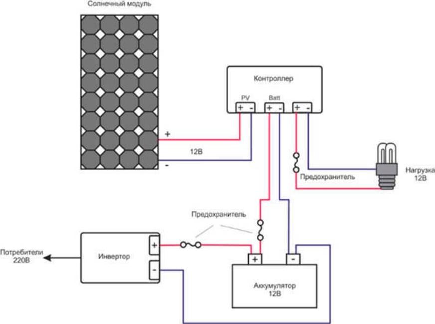
การติดตั้งและเชื่อมต่อแบตเตอรี่พลังงานแสงอาทิตย์
เมื่อติดตั้งแบตเตอรี่แล้ว ต้องเชื่อมต่ออย่างถูกต้องเพื่อให้แน่ใจว่ามีการใช้พลังงานอย่างมีประสิทธิภาพและประหยัดพลังงานไฟฟ้าเมื่อไม่ใช้งาน มันง่าย:
- คอนโทรลเลอร์เชื่อมต่อกับโมดูลแล้วควรวางไว้ใกล้ที่สุด
- วางแบตเตอรี่ไว้ในสถานที่ที่กำหนดเป็นพิเศษ ควรใช้เจลจะดีกว่า
- ในการแปลงแรงดันไฟ จำเป็นต้องใช้อินเวอร์เตอร์
ทุกอย่างในที่นี้คล้ายกับระบบที่มีแบตเตอรี่สำเร็จรูป คุณจึงไม่จำเป็นต้องเข้าใจหัวข้อนี้

สิ่งที่ส่งผลต่อประสิทธิภาพของแผงโซลาร์เซลล์
เพื่อให้ได้ผลสูงสุด คุณต้องปฏิบัติตามคำแนะนำง่ายๆ เหล่านี้:
- ใส่แบตเตอรี่ในที่ที่มีแสงสว่างเพียงพอในระหว่างวัน
- ล้างกระจกป้องกันจากสิ่งสกปรกและฝุ่นละอองเป็นระยะ
- ปรับมุมเอียงขึ้นอยู่กับฤดูกาล
- ใช้อินเวอร์เตอร์ที่มีกำลังไฟฟ้าที่เหมาะสม
- ตรวจสอบสถานะของผู้ติดต่อและการเชื่อมต่อ
เมื่อใช้เลนส์ ประสิทธิภาพของแบตเตอรี่จะลดลงอย่างมากในสภาพอากาศที่มีเมฆมาก
อันไหนดีกว่า - ซื้อหรือทำแบตเตอรี่พลังงานแสงอาทิตย์
ไม่มีคำตอบเดียวที่นี่ ทั้งหมดขึ้นอยู่กับงบประมาณ พารามิเตอร์ระบบที่จำเป็น และค่าใช้จ่ายของแต่ละตัวเลือกควรทำการวิเคราะห์เปรียบเทียบทั้งสองประเภทเพื่อเปรียบเทียบวัสดุและต้นทุนเวลาสำหรับแต่ละประเภท
โดยปกติการทำมือของคุณเองจะมีราคาเพียงครึ่งเดียว ดังนั้นหากคุณต้องการประหยัดเงิน ควรเลือกแบบทำเองที่บ้านจะดีกว่า หากไม่มีข้อจำกัดด้านงบประมาณ ควรใช้ระบบสำเร็จรูป
คำแนะนำการประกอบวิดีโอโดยละเอียดจากช่อง KREOSAN ยอดนิยม
การประกอบแบตเตอรี่พลังงานแสงอาทิตย์ด้วยมือของคุณเองไม่ใช่เรื่องยาก หากคุณเข้าใจคุณสมบัติการออกแบบ คำนวณจำนวนโมดูลที่ต้องการและซื้อล่วงหน้า สิ่งสำคัญคือต้องปฏิบัติตามคำแนะนำในการประกอบและให้แน่ใจว่าโมดูลที่ผลิตขึ้นเองมีความรัดกุม





