วิธีทำโคมไฟ LED
ช่างฝีมือมักต้องการทำหลอดไฟไดโอด อย่างน้อยก็ด้วยเหตุผลที่ช่วยประหยัดพลังงานไฟฟ้าได้มากกว่า 10 เท่าเมื่อเทียบกับหลอดไส้ นี้เป็นวิธีที่คุ้มค่ามาก แต่สำหรับการประกอบเอง จำเป็นต้องมีประสบการณ์ในการทำงานกับวงจรไฟส่องสว่าง
อันดับแรก คุณควรทำความคุ้นเคยกับหลักการทำงานของหลอดไฟ LED และค้นหาว่าหลอดไฟนั้นมีหลายประเภท หลังจากนั้น คุณสามารถเริ่มเลือกวัสดุและเครื่องมือที่จำเป็นได้ เพื่อให้หลอดไฟมีอายุการใช้งานยาวนาน ควรซื้อเฉพาะองค์ประกอบโครงสร้างคุณภาพสูงเท่านั้น
หลักการทำงานของหลอดไฟ LED
การทำงานของหลอดไฟ LED ขึ้นอยู่กับการกระทำของสารกึ่งตัวนำที่มีขนาด 1-2 มม. ข้างในนั้นมีการเคลื่อนที่ของอนุภาคมูลฐานที่มีประจุซึ่งแปลงกระแสเป็นกระแสตรงจากกระแสสลับอย่างไรก็ตาม ชิปคริสตัลมีการนำไฟฟ้าอีกประเภทหนึ่ง นั่นคือ อิเล็กตรอนเชิงลบ

ด้านที่มีอิเล็กตรอนน้อยที่สุดเรียกว่า p-type อีกอันที่มีอนุภาคมากกว่าคือ "n-type" เมื่อชนกัน อนุภาคของแสง โฟตอน จะถูกสร้างขึ้น หากระบบได้รับพลังงาน ไฟ LED จะยังคงปล่อยกระแสแสงออกมา หลอดไฟ LED ที่ทันสมัยทั้งหมดทำงานบนหลักการนี้
ประเภทของอุปกรณ์ LED
ประเภทของหลอดไฟจะขึ้นอยู่กับตำแหน่งของ LED:
- ซัง. LED ถูกบัดกรีเข้ากับบอร์ด สิ่งนี้จะเพิ่มความเข้มของการเรืองแสงและป้องกันความร้อนสูงเกินไป
- จุ่ม. ที่นี่คริสตัลเชื่อมต่อกับตัวนำสองตัวและติดตั้งแว่นขยายไว้ด้านบน การดัดแปลงนี้ใช้ในการผลิตมาลัยและป้ายโฆษณา
- smd. เพื่อปรับปรุงการกระจายความร้อน ไดโอดจะติดตั้งอยู่ด้านบน ด้วยเหตุนี้จึงสามารถลดขนาดของหลอดไฟได้
- "ปิรันย่า". เรากำลังพูดถึงไดโอดเปล่งแสงที่สว่างเป็นพิเศษพร้อมการป้องกันการสั่นสะเทือนที่เพิ่มขึ้น ในกรณีส่วนใหญ่จะติดตั้งในรถยนต์เนื่องจากมีความน่าเชื่อถือ

ข้อเสียเปรียบที่สำคัญที่สุดคือการออกแบบซัง หากชิปอย่างน้อยหนึ่งตัวล้มเหลว จะไม่สามารถเปลี่ยนได้ คุณจะต้องเปลี่ยนกลไกทั้งหมดหรือซื้อหลอดไฟใหม่
ต้องใช้วัสดุอะไรในการผลิต
ในการประกอบหลอดไฟ คุณต้องซื้อองค์ประกอบโครงสร้างต่อไปนี้:
- กรอบ;
- ไฟ LED (แยกหรือติดตั้งบนเทป);
- วงจรเรียงกระแสไดโอดหรือไดโอดบริดจ์
- ฟิวส์ (หากมีหลอดไฟที่ไม่จำเป็นสามารถถอดออกได้);
- ตัวเก็บประจุความจุและแรงดันไฟฟ้าต้องตรงกับจำนวนชิปและแผนผังสายไฟ
- ถ้าคุณต้องทำโครงสำหรับติดตั้งชิป คุณต้องซื้อวัสดุทนความร้อนที่ไม่นำกระแสไฟ โลหะจะไม่ทำงานจึงควรซื้อกระดาษแข็งหนาหรือพลาสติกที่ทนทาน
เครื่องมือในการทำงาน คุณจะต้องใช้คีม หัวแร้ง กรรไกร ที่ยึด และแหนบ คุณจะต้องใช้ตะปูหรือกาวเหลวเพื่อติดตั้งไฟ LED หากใช้กระดาษแข็ง
แบบแผนของหลอดไฟ LED
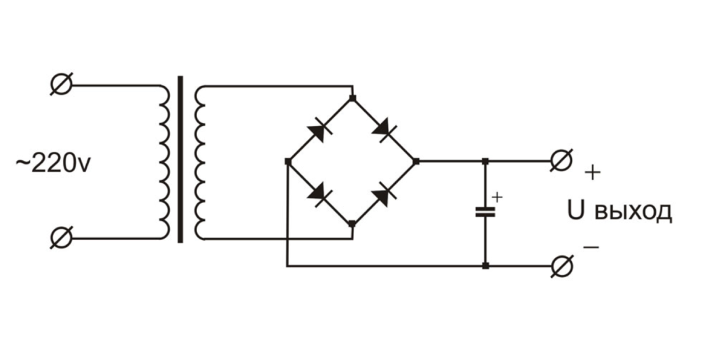
ก่อนที่คุณจะเริ่มประกอบหลอดไฟ LED คุณต้องเลือกรูปแบบใดรูปแบบหนึ่งที่เป็นไปได้ มีหลายทางเลือก ซึ่งทั้งหมดมีข้อดีและข้อเสียของตัวเอง นอกจากนี้ยังขึ้นอยู่กับวัตถุประสงค์ของหลอดไฟด้วย หนึ่งในวงจรที่พบบ่อยที่สุด ได้แก่ ไดโอดบริดจ์และไฟ LED 4 ดวง
องค์ประกอบ LED
หากบ้านมีหลอดไฟ LED ชำรุด คุณสามารถนำชิ้นส่วนที่ขาดหายไปได้ แต่ก่อนที่จะจัดเรียงองค์ประกอบใหม่ จำเป็นต้องตรวจสอบการทำงานที่ถูกต้องโดยใช้แบตเตอรี่ 12V ควรถอดชิ้นส่วนที่เสียหายออก ในการทำเช่นนี้คุณต้องใช้หัวแร้งและยกเลิกการขายหน้าสัมผัสโดยถอดไดโอดที่ถูกเผาไหม้ออก

อย่าลืมสังเกตการสลับของแคโทดและไดโอดที่ติดตั้งเป็นอนุกรม หากเปลี่ยนชิป 2-3 ชิ้น ก็สามารถบัดกรีไปยังบริเวณเดียวกับที่มีเศษไหม้ได้ ถัดไปมีการติดตั้งไดโอดประมาณ 10 ตัวติดต่อกันโดยสังเกตขั้ว คุณต้องแน่ใจว่าปลายที่บัดกรีไม่สัมผัสกัน มิฉะนั้นเมื่อเปิดเครื่องจะทำให้ไฟฟ้าลัดวงจร
แบบแผนของคอนเวอร์เตอร์พร้อมไดโอดบริดจ์
ดังที่ได้กล่าวไว้ข้างต้นวงจรประกอบด้วยไฟ LED 4 ดวงที่เชื่อมต่อกันในทิศทางต่างๆ นั่นคือเหตุผลที่สะพานสามารถเปลี่ยนกระแสไฟ 220V ให้เป็นจังหวะได้ สิ่งที่คล้ายกันเกิดขึ้นในกระบวนการข้ามคลื่นไซน์ 2 ชิป

ขั้วจะหายไปเนื่องจากการเปลี่ยนแปลง ในระหว่างขั้นตอนการประกอบ ตัวเก็บประจุจะต้องเชื่อมต่อกับเอาท์พุตด้วยเครื่องหมายบวกที่ด้านหน้าของบริดจ์ อีกคนน่าจะอยู่หลังสะพาน มันจะทำหน้าที่ปรับให้เรียบระหว่างแรงดันตกคร่อม
แบบแผนสำหรับการเรืองแสงที่นุ่มนวล
หากอาจารย์ต้องเผชิญกับงานกำจัดการสั่นไหวซึ่งเป็นลักษณะของหลอดไฟ LED เกือบทั้งหมดจะต้องรวมองค์ประกอบเพิ่มเติมหลายอย่างไว้ในวงจร โดยทั่วไปควรประกอบด้วยตัวเก็บประจุ ตัวต้านทาน และไดโอดบริดจ์
เพื่อป้องกันหลอดไฟจากไฟกระชากในเครือข่ายมีการติดตั้งตัวต้านทาน 100 โอห์มที่จุดเริ่มต้นของวงจรหลังจากนั้นจะมีตัวเก็บประจุ 400 nF จากนั้นจึงติดตั้งบริดจ์ตามด้วยตัวต้านทาน สุดท้ายในห่วงโซ่รวมถึง LED
วงจรตัวต้านทาน
โครงการนี้มีราคาไม่แพงมากแม้สำหรับผู้เริ่มต้น ในการประกอบอุปกรณ์โดยยึดตามนั้น คุณต้องซื้อตัวต้านทาน 12k จำนวน 2 ตัว รวมถึงวงจรที่มีจำนวนชิปเท่ากันที่บัดกรีเป็นชุด โดยคำนึงถึงขั้ว แถบไดโอดหนึ่งแถบจากด้านข้าง (R2) เชื่อมต่อกับขั้วบวก และอีกแถบหนึ่ง (R1) กับขั้วลบ อุปกรณ์ที่ประกอบตามแบบแผนนี้จะโดดเด่นด้วยแสงที่นุ่มนวลเนื่องจากในขณะที่เปิดสวิตช์ไฟ LED จะสว่างขึ้นสลับกัน

ด้วยเหตุนี้ ระลอกคลื่นจึงแทบจะมองไม่เห็นด้วยตาเปล่า หลอดไฟดังกล่าวเหมาะที่สุดสำหรับโคมไฟตั้งโต๊ะเพื่อให้ได้แสงที่เหมาะสม ขอแนะนำให้ซื้อเทปที่มีไดโอด 20-40 ตัว หากมีน้อยกว่านี้จะให้ฟลักซ์การส่องสว่างที่ไม่มีนัยสำคัญ แต่ยิ่งมีองค์ประกอบมากเท่าไร งานก็จะยิ่งยากขึ้นในเชิงเทคนิคเท่านั้น
ขั้นตอนการผลิต
การประกอบจะพิจารณาจากฐานหลอดฟลูออเรสเซนต์มาตรฐาน ขั้นตอนแรกคือการถอดหลอดไฟ อุปกรณ์เรืองแสงทั้งหมดเชื่อมต่อกับฐานด้วยสลักผ่านแผ่นที่มีท่อ หน้าที่ของวิซาร์ดคือการค้นหาจุดยึดและถอดฐานออกด้วยมีดหรือไขควงปากแบน

ในกระบวนการถอดประกอบ คุณควรระวังอย่าให้ท่อที่มีสารพิษเสียหายโดยไม่ได้ตั้งใจ อย่าทำลายสายไฟที่เชื่อมต่อกับฐาน ส่วนบนพร้อมหลอดใช้ทำเพลทสำหรับติดตั้งไฟ LED ในการทำเช่นนี้จะต้องถอดองค์ประกอบท่อออก

ในขั้นตอนต่อไป คุณจะต้องใช้ฝาครอบพลาสติกหรือกระดาษแข็ง ซึ่งจะทำหน้าที่ป้องกันไฟ LED ตัวอย่างเช่น ถ้าไดโอด HK6 ติดตั้งอยู่ในหลอดไฟ แต่ละไดโอดจะมีคริสตัล 6 อันต่อขนานกัน ด้วยการใช้พลังงานน้อยที่สุด พวกมันจะให้แสงที่สว่างที่สุดเท่าที่จะเป็นไปได้
ในการเชื่อมต่อชิปแต่ละอันควรเจาะ 2 รูในจานตามรูปแบบที่เลือก บนวัสดุนี้ ไดโอดสามารถแก้ไขได้อย่างแน่นหนาที่สุด ดังนั้นควรใช้กระดาษแข็งหนาในกรณีที่รุนแรงเท่านั้น แต่ถ้าไม่มีตัวเลือกอื่น ไฟ LED จะติดเข้ากับฐานด้วยกาวซุปเปอร์กลูหรือตะปูน้ำ
จากตัวอย่างที่กำหนด อุปกรณ์ได้รับการออกแบบสำหรับชิป 6 ตัวที่มีกำลังไฟ 0.5 W ดังนั้นจึงควรรวมองค์ประกอบที่เชื่อมต่อแบบขนานไว้ในวงจร ในหลอดไฟที่ใช้ไฟ 220 โวลต์ คุณต้องติดตั้งไดรเวอร์ ในขั้นตอนนี้ การแยกการชำระเงินออกจากการชำระเงินโดยใช้กระดาษแข็งหรือพลาสติกเป็นสิ่งสำคัญเพื่อหลีกเลี่ยงการลัดวงจร ไม่ต้องกังวลเรื่องความร้อนสูงเกินไป เนื่องจากหลอดไฟนี้แทบไม่ร้อนขึ้น

ขั้นตอนต่อไปคือการเริ่มประกอบ หลอดไฟที่ขับเคลื่อนด้วยคาร์ทริดจ์มาตรฐานและเครือข่าย 220 โวลต์นั้นใช้พลังงานต่ำและมีกำลังไฟสูงถึง 3 วัตต์ หลอดไฟที่ประกอบแล้วมีลักษณะฟลักซ์การส่องสว่างตั้งแต่ 100 ถึง 120 ลูเมน แต่ด้วยแสงสีขาวทำให้ดูสว่าง ผลิตภัณฑ์นี้เหมาะสำหรับการให้แสงสว่างในตู้กับข้าว ทางเดิน หรือติดตั้งในโคมไฟตั้งโต๊ะ
การเลือกโครงโคมไฟ
กรณีนี้ควรได้รับการตัดสินก่อนที่จะเลือกแบบแผน ในกรณีนี้ คุณสามารถใช้หลายตัวเลือก:
- ฐานจากหลอดไส้
- อุปกรณ์ทำเอง
- ใช้ตัวเรือนจากหลอดฮาโลเจนหรือหลอดประหยัดไฟ
อาจารย์ชอบตัวเลือกหลังเนื่องจากเป็นวิธีที่ง่ายที่สุด
ตัวเรือนหลอดประหยัดไฟ
ขอแนะนำให้ทำเคสสำหรับโคมไฟ LED DIY เฉพาะในกรณีที่อาจารย์มีประสบการณ์เพียงพอ ในกรณีส่วนใหญ่ ส่วนหนึ่งของการออกแบบจะนำมาจากหลอดประหยัดไฟหรือหลอดไส้ ควรถอดหลอดไฟที่เผาไหม้ออกและถอดบอร์ดแปลงออก สคีมาได้รับการติดตั้งด้วยวิธีใดวิธีหนึ่งต่อไปนี้:
- ซ่อนตัวอยู่ในแท่น ฝาขวดพลาสติกจะทำ
- วางไดโอดลงในรูที่ทำไว้ใต้หลอดไฟในฝา
- จัดเรียงวงจรภายในฐาน ตัวเลือกนี้มีลักษณะเฉพาะด้วยลักษณะการถ่ายเทความร้อนที่เพิ่มขึ้น ที่นี่ชิปเชื่อมต่อผ่านรูที่มีอยู่
ในการวางชิปก็เพียงพอที่จะตัดวงกลมออกจากกระดาษแข็งหนาหรือพลาสติก หากคุณทำงานอย่างระมัดระวัง อุปกรณ์จะมีรูปลักษณ์ที่สวยงาม
ฐานด้วยหลอดไส้
ช่างฝีมือบางคนเลือกฐานจากหลอดไส้เพื่อติดตั้งวงจร เนื่องจากมีข้อได้เปรียบที่สำคัญ: หลังจากประกอบแล้ว อาจารย์จะไม่มีปัญหาในการขันหลอดไฟเข้าไปในคาร์ทริดจ์ ซึ่งจะช่วยให้ถ่ายเทความร้อนได้

ฐานจากหลอดไส้ก็มีข้อเสียเช่นกัน ในรูปแบบสำเร็จรูปการออกแบบจะไม่มีรูปลักษณ์ที่สวยงามและจะไม่สามารถสร้างฉนวนคุณภาพสูงได้
เราแนะนำให้คุณดูวิดีโอ: วิธีประกอบหลอดไฟ LED (LED) ด้วยมือของคุณเอง
บทสรุป
การประกอบหลอดไฟ LED ด้วยตนเองควรเริ่มต้นด้วยการเลือกตัวเรือน จากนั้นเลือกรูปแบบตามประเภทของหลอดไฟและวัตถุประสงค์ เพื่อให้ได้ประสบการณ์ จะเป็นการดีกว่าสำหรับมือใหม่ที่เริ่มต้นด้วยการเปลี่ยนไฟ LED ที่ดับ ซึ่งจะเป็นโอกาสในการทำความคุ้นเคยกับการออกแบบและหลักการทำงานของหลอดไฟ
