Как да поправите полилей с дистанционно управление
Напоследък полилеите с дистанционно управление станаха популярни. Предимството им е не само, че лампата може да се управлява без да става. Смяната на еднораменен полилей с многорамен с възможност за отделно управление на светлинни елементи по обичайния метод води до необходимост от подмяна на електрическото окабеляване, отваряне на декоративните стени и др. Полилей с дистанционно управление лесно се свързва към мястото на конвенционална лампа. Такова устройство може да бъде закупено сглобено или можете да закупите комплект за самостоятелно вграждане в готов полилей.

С всички предимства на такова решение, много проблеми за собствениците са причинени от ниската надеждност на такива устройства. Но те могат да бъдат ремонтирани с минимален набор от инструменти и първоначална квалификация.
Схеми на полилеи с дистанционно управление
Преди да говорите за ремонт на дефектен полилей с дистанционно управление, трябва да разберете как функционира системата в комплекса. Това ще помогне за диагностицирането на проблема и ще спести време.
Общата схема за дистанционно управление на полилей е изградена на същия принцип като дистанционното управление на всяка потребителска електроника с една разлика - лампата се управлява не от IR, а от радио. Това се дължи на факта, че конвенционален инфрачервен комуникационен канал може да бъде блокиран от смущения от близкия мощен източник на светлина.

Предавателната част генерира команда под формата на поредица от импулси, излъчвани от антената. Отстрани на полилея са приемната част, състояща се от:
- приемна антена, в която ЕМП се индуцира от електромагнитния сигнал на предавателя;
- самият приемник, който преобразува ЕМП в последователност от електрически импулси;
- декодер (декодер) на сигнали, който според командата избира кое осветително устройство да включи или изключи.
Изпълнителната част е транзисторен ключ, който управлява електромагнитните релета. Контактите на всяко реле включват лампа, която може да бъде LED или направена на базата на енергоспестяваща лампа (и двата елемента могат да се използват в един полилей). Лампите с нажежаема жичка не се използват в такива осветителни устройства поради високата консумация на енергия и необходимостта от използване на релета с подсилени контакти.
Частта на предавателя изглежда като дистанционно управление за потребителска електроника и е изградена на подобен принцип.Единствената разлика е, че вместо инфрачервен светодиод е инсталирана предавателна антена.
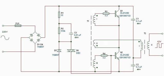
Работата на приемната и изпълнителната част ще бъде анализирана с примера на типична схема на полилей с две лампи. Други осветителни устройства са изградени на подобен принцип.
Захранващата верига е изградена на безтрансформаторен принцип. Кондензатор C2 потиска излишното напрежение. След това се монтира токоизправител от мостов тип с изглаждащ кондензатор, така че се получава постоянно напрежение от 12 V за захранване на намотките на релето. За да се осигури стабилно напрежение от 5 V за слаботочната част, се използва интегрален стабилизатор DA1. Той захранва RF приемника и декодера.
Приемникът на радиосигнал (RF) е модулът YDK-30. Той преобразува EMF, индуциран в антената, в последователност от импулси с амплитуда, достатъчна за работата на декодера. Върху чипа HS153 е изграден декодер. След като получи командата, декодерът включва или изключва съответния транзисторен ключ. Този ключ от своя страна управлява електромагнитно реле, което подава напрежение към съответната лампа. Осветителните тела са изградени на LED или халогенна лампа със съответната шофьор или електронно устройство за управление.
Важно! Почти всички вериги на приемащата и задействащата част на произведената в Китай система за дистанционно управление (дори и с уверенията на опаковката, че устройството е разработено в Германия) имат безтрансформаторна захранваща верига с гасителни резистори или кондензатори. При ремонт или проверка на веригата трябва да се има предвид, че всички елементи са под пълно напрежение от 220 V. Неспазването на изискванията за защита на труда може да доведе до токов удар.
Неизправност на полилея с дистанционното управление
Преди да започнете да ремонтирате полилей с дистанционно управление, трябва да извършите задълбочена диагностика и да определите дефектния елемент. Ремонтът на лампа с "метод на научен удар" не е добра идея. Това може да доведе до неоправдани финансови и времеви разходи.
Полилеят не се включва с дистанционно
Ако полилеят не реагира на натискане на бутоните на дистанционното управление, тогава първото нещо, което трябва да проверите в този случай, е дали батериите са живи. Можете да измерите напрежението върху тях, можете веднага да смените галваничните елементи.
Тогава има две опции:
- дистанционното управление е дефектно;
- приемникът е дефектен.
В първия случай трябва да се опитате да намерите дистанционното управление от такъв полилей и да се опитате да го управлявате. Ако всичко е наред, поправете дистанционното управление. Ако не... Ще бъде възможно да се установи недвусмислено работоспособността на предавателната част само ако са известни нейните работни честоти и има радиоприемник за тези честоти. По-лесно е да намерите друго дистанционно или да разчитате на интуицията.
Ако интуицията подсказва, че неизправността е отстрани на полилея, тестът трябва да започне с наличието на захранване. Вероятността за повреда на всички транзисторни ключове и релета едновременно е изключително малка, но отделни елементи в захранващата верига може да се повредят. Необходимо е да се провери напрежението на изглаждащия кондензатор след диодния мост. Ако е много различно от 12-15 V, тогава е необходимо да се диагностицира и ремонтира токоизправителя. Ако всичко е наред, проверете напрежението на изхода на интегралния стабилизатор - в този случай +5 V. Направете внимателно измерванията, като помните, че всички радиоелементи са захранвани от 220 V.
Ако има напрежение, трябва да се уверите, че има импулси, които се появяват на изхода на приемника, когато натиснете бутоните на дистанционното управление. Можете да направите това с осцилоскоп.Ако не, можете да опитате да направите обикновена LED сонда.

Ако имате късмет да видите LED мига, значи RF приемникът работи.
Важно! Преди да проверите веригите с осцилоскоп, трябва да се уверите, че неговият вход е оценен за напрежение от най-малко 310 V (мрежово напрежение от връх до пик). В противен случай всяка грешка при свързване може да повреди инструмента.
Ако има импулси на изхода на RF модула (на входа на декодера), е необходимо да се провери реакцията на декодера на команди. Когато се подават сигнали от дистанционното управление, нивата на модула трябва да се появяват и изчезват на изходите, които управляват транзисторните превключватели. Можете да проверите това с мултицет в режим на волтметър или със същата сонда.
Видео урок: Диагностика на вериги и ремонт на LED полилей с контролен панел.
Полилеят щрака, но не се включва
Ако при подаване на команди чрез дистанционното управление се чуват щракания на релето, това означава, че работи следното:
- предавателна част;
- захранваща верига на приемната и изпълнителната част;
- декодер;
- транзисторни ключове и релейни намотки.
А светлоизлъчващите елементи (техните електронни схеми) може да са повредени или контактите на релето да са изгорели (изгорели). Тъй като едновременният отказ на всички лампи е малко вероятен, причината трябва да се търси в контактната група - тук едновременното изгаряне изглежда по-реално. Причината за това може да е несъответствие между работния ток на контактите на релето и консумацията на ток на лампите. С течение на времето това води до загуба на проводимост.
Ако дизайнът на релето позволява демонтаж, можете да опитате да почистите контактите. Ако не, трябва да смените релето.
Можете да промените елемента от същия тип, но няма много смисъл - след известно време контактите отново ще се провалят.Трябва да се опитаме да вземем по-мощно реле, доколкото позволяват пространството и размерите на инсталацията. Някои видове релета и токът, включен при 220 V AC, са обобщени в таблицата.
| тип реле | HRS-4H | SRD-12VDC | SRA-12VDC | JS-1 |
| Превключван ток, А | 5 | 10 | 20 | 10 |
Важно! Използването на автомобилни релета за замяна на стокови или домашно изработени дизайни не е добра идея. Намотките им консумират твърде много ток, а контактите не са предназначени за превключване на напрежение от 220 V.
Също така в някои случаи има нарушение на запояването на контактите на релето поради постоянно нагряване. Преди да замените, трябва внимателно да разгледате местата, към които са запоени контактите, и да ги опитате спойка. Понякога помага.
Характерно видео: светодиоди
Неправилна работа от дистанционното управление
Случва се някои от лампите да се управляват от дистанционното управление, някои не реагират на натискане на бутони. Причината може да е физическото износване на копчетата. Радикалният начин е да смените дистанционното управление. Можете да търсите в магазините или на пазарите в Интернет за ремонтни комплекти за ремонт на дистанционни. Има и резервни контакти за бутони.

Също така в специализирани форуми има информация за неправилната работа на полилея поради лошото качество на филмовия кондензатор в захранващата верига. В същото време канал 1 продължава да работи, 2 и 3 не. Лесно се поправя - трябва да смените контейнера.
Светодиодите и крушките не светят
Ако всичко работи, но отделните LED или халогенни крушки са престанали да светят, тогава причината трябва да се търси в тях или в драйверите (електронна предавка).

Случва се един елемент да изгори във верига от светодиоди.Можете да го намерите с обаждане и да го замените. Или просто затворете с надеждата, че шофьорът ще го извади. Не трябва да разчитате твърде много на този метод, тъй като в много тела, за да спестите място и да намалите разходите, вместо пълноправен драйвер, те поставят затихващ резистор. Но да се диагностицира ремонт на такъв "шофьор" лесно. Просто проверете съпротивлението с мултицет. Ако в LED лампата се използва пълноценен стабилизатор на ток, тогава ремонтът му ще изисква наличието на инструменти и квалификация.

производителност халогенни крушки може да се тества чрез замяна с известни добри части. Електронният трансформатор, който захранва осветителния елемент, може да бъде заменен или ремонтиран.
Можете да проверите подред всички полупроводникови елементи (транзистори, диоди). Елементите на намотката в случай на повреда, като правило, ще имат следи от изгаряне. За да откриете неизправността на останалите части, ще трябва да работите с устройствата. На първо място, локализирайте повредата, като проверите наличието на постоянно напрежение от 220 V на изхода на моста. След това използвайте осцилоскоп, за да проверите за флуктуации на изхода на импулсния трансформатор и, като използвате получената информация, намерете дефектния елемент.
Други неизправности
По време на работа на полилеите могат да възникнат други неизправности. Описанието на всички възможни опции е безкрайно и извън обхвата на прегледа. Следователно във всеки случай ще трябва да ги потърсите сами. Не винаги е лесно, ще трябва да включите бързия си ум, да прочетете техническата литература. Но това е единственият начин за подобряване на уменията.
Направи си сам ремонт на полилей с дистанционно управление
След добре извършена диагностика ремонтът ще бъде лесен.Свежда се до подмяна на идентифицирания дефектен елемент. Можете да закупите тези компоненти в магазините за електронни компоненти или онлайн.
Смяна на блока за управление на полилея
Ако диагностиката на контролера не даде ясни резултати и собственикът смята, че е нерационално да се закупи нов комплект от части за трансивър, можете да преобразувате полилея към локално управление от превключвател за осветление с два бутона. Препоръчително е да направите тази промяна, ако лампата с дистанционно управление е монтирана на мястото на полилея, който преди това е бил включен, и съответното окабеляване вече е налично. В противен случай ще трябва да извършите допълнителен проводник, а това е отварянето на декоративната облицовка на стени и тавани, преследване и т.н.
Ако окабеляването вече е готово, тогава можете да свържете осветителното тяло, без да се намесвате във вътрешната верига, като използвате съществуващия клемен блок за външни връзки. Предимството на тази опция е, че ако собственикът реши да смени контролера в бъдеще, повторното свързване ще бъде минимално.
Опитът показва, че ако полилей, управляван от дистанционно, се повреди, е напълно възможно да му дадете втори живот. Ще ви трябва малък набор от инструменти, основни познания по електротехника и желание за мислене.




